LEMON Manuals: Even more car manuals for everyone: 1960-2025
Home >> Toyota >> 2019 >> Sienna LE, AWD >> Repair and Diagnosis (Single Page) >> Body & Frame >> Mirrors >> Power Mirror Control System (W/O Memory) - Diagnostics & Symptom Tests >> POWER MIRROR CONTROL SYSTEM(w/o Memory) >> System Diagram [12/2015 - 08/2016] >> System Diagram [12/2015 - 08/2016]
April 5, 2026: LEMON Manuals is launched! Read the announcement.

System Diagram [12/2015 - 08/2016]

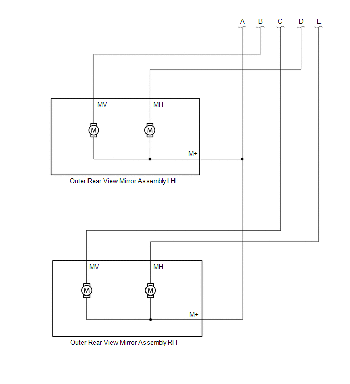
Fig 1: Power Mirror Control System (w/o Memory) Wiring Diagram (1 Of 3)
GTY738323Courtesy of © TOYOTA, LICENSE AGREEMENT TMS1002
Fig 2: Power Mirror Control System (w/o Memory) Wiring Diagram (2 Of 3)
GTY481494Courtesy of © TOYOTA, LICENSE AGREEMENT TMS1002
Fig 3: Power Mirror Control System (w/o Memory) Wiring Diagram (3 Of 3)
GTY475780Courtesy of © TOYOTA, LICENSE AGREEMENT TMS1002
COMMUNICATION TABLE

Sender Receiver Signal / Signal Condition Line
Air Conditioning Control Panel Assembly Air Conditioning Amplifier Assembly Rear Defogger Switch Signal LIN