LEMON Manuals: Even more car manuals for everyone: 1960-2025
Home >> Toyota >> 2019 >> Tundra TRD Pro >> Repair and Diagnosis >> External Pages >> Different car >> Section 13 (Smart Key System (For Start Function) - Diagnostic Codes & Symptom Tests) >> Smart Key System (For Start Function) [3UR-FE] >> Power Source Mode does not Change to ON (IG and ACC) [08/2019 - ] >> Wiring Diagram
April 5, 2026: LEMON Manuals is launched! Read the announcement.

Power Source Mode does not Change to ON (IG and ACC) [08/2019 - ]: Wiring Diagram

WARNING: This page is about a different car, the 2021 Toyota Tundra and 2020 Toyota Tundra. However, it is still accessible from the selected car via links, so may be relevant.
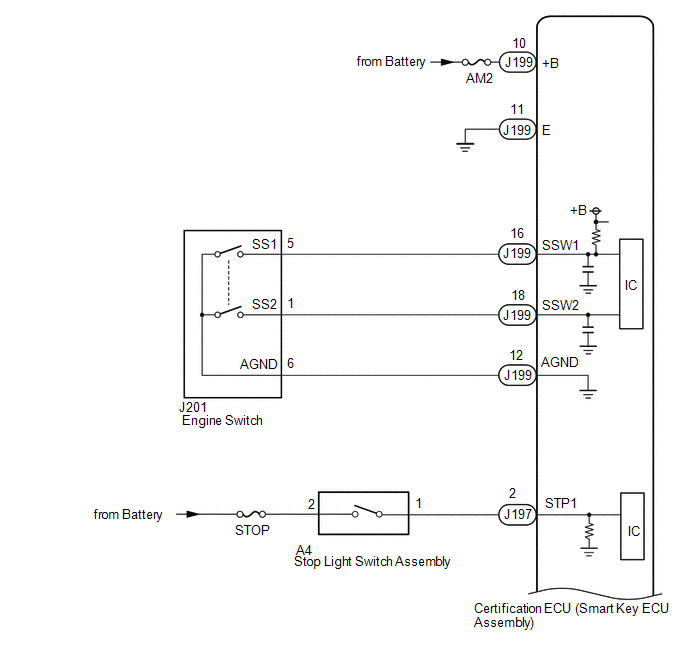
Fig 1: Certification ECU Wiring Diagram (1 Of 3)
GTY925758Courtesy of © TOYOTA, LICENSE AGREEMENT TMS1002
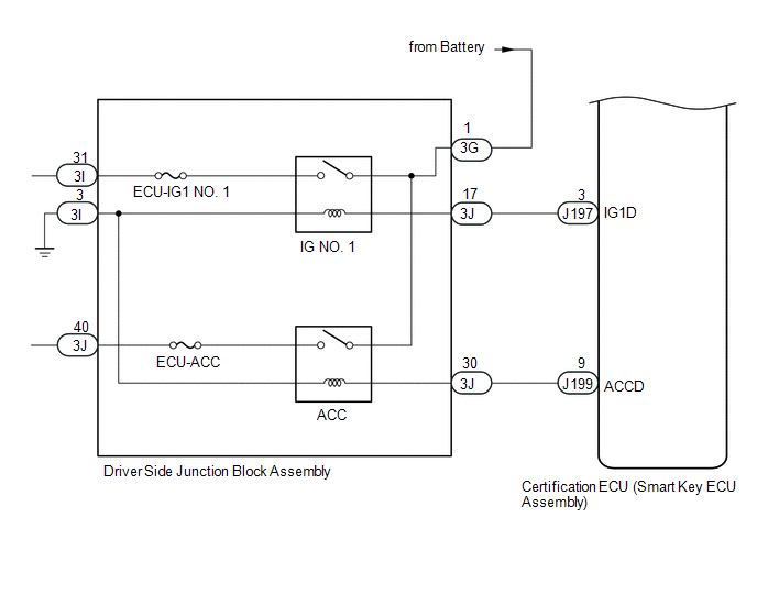
Fig 2: Certification ECU Wiring Diagram (2 Of 3)
GTY944228Courtesy of © TOYOTA, LICENSE AGREEMENT TMS1002
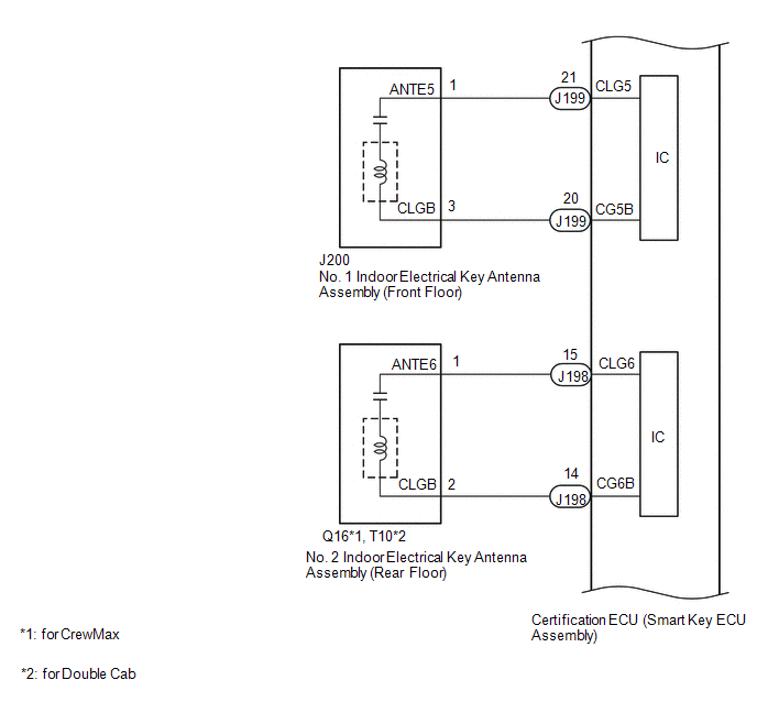
Fig 3: Certification ECU Wiring Diagram (3 Of 3)
GTY910618Courtesy of © TOYOTA, LICENSE AGREEMENT TMS1002