LEMON Manuals: Even more car manuals for everyone: 1960-2025
Home >> Toyota >> 2019 >> Yaris XLE >> Repair and Diagnosis (Single Page) >> Engine Performance >> System >> Engine Control System - System Diagram >> Control System >> System Diagram [08/2018 - 08/2019] >> System Diagram [08/2018 - 08/2019]
April 5, 2026: LEMON Manuals is launched! Read the announcement.

System Diagram [08/2018 - 08/2019]

  1. CONTROL SYSTEM DIAGRAM 
    GTY844324Courtesy of © TOYOTA, LICENSE AGREEMENT TMS1002
    *a PCM *b ECT Sensor No. 2
    *c Radiator Lower *d Baro Sensor
    *e MAF Sensor/IAT Sensor No. 1 *f TP Sensor No. 1, No. 2
    *g Map Sensor/IAT Sensor No. 2 *h CMP Sensor
    *i ECT Sensor No. 1 *j Fuel Tank Pressure Sensor
    *k Fuel Pressure Sensor *l KS
    *m CKP Sensor *n Oil Pressure Switch
    *o A/F Sensor *p HO2S
    *q App Sensor No. 1, No. 2, Cpp Switch (MTX), Neutral Switch (MTX) *r To PCM
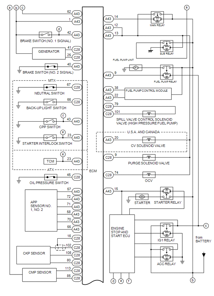
  2. CONTROL SYSTEM WIRING DIAGRAM 

    200 Pin Type 

    GTY689667Courtesy of © TOYOTA, LICENSE AGREEMENT TMS1002
    GTY849664Courtesy of © TOYOTA, LICENSE AGREEMENT TMS1002
    GTY484810Courtesy of © TOYOTA, LICENSE AGREEMENT TMS1002

    186 Pin Type 

    GTY896078Courtesy of © TOYOTA, LICENSE AGREEMENT TMS1002
    GTY943959Courtesy of © TOYOTA, LICENSE AGREEMENT TMS1002
    GTY925236Courtesy of © TOYOTA, LICENSE AGREEMENT TMS1002