LEMON Manuals: Even more car manuals for everyone: 1960-2025
Home >> Toyota >> 2020 >> 86 GT, Automatic Trans >> Repair and Diagnosis >> Engine Performance >> System >> Engine Control System - Diagnostics - Introduction (1 Of 2) >> SFI System >> System Diagram [06/2016 - 03/2017] >> System Diagram [06/2016 - 03/2017]
April 5, 2026: LEMON Manuals is launched! Read the announcement.

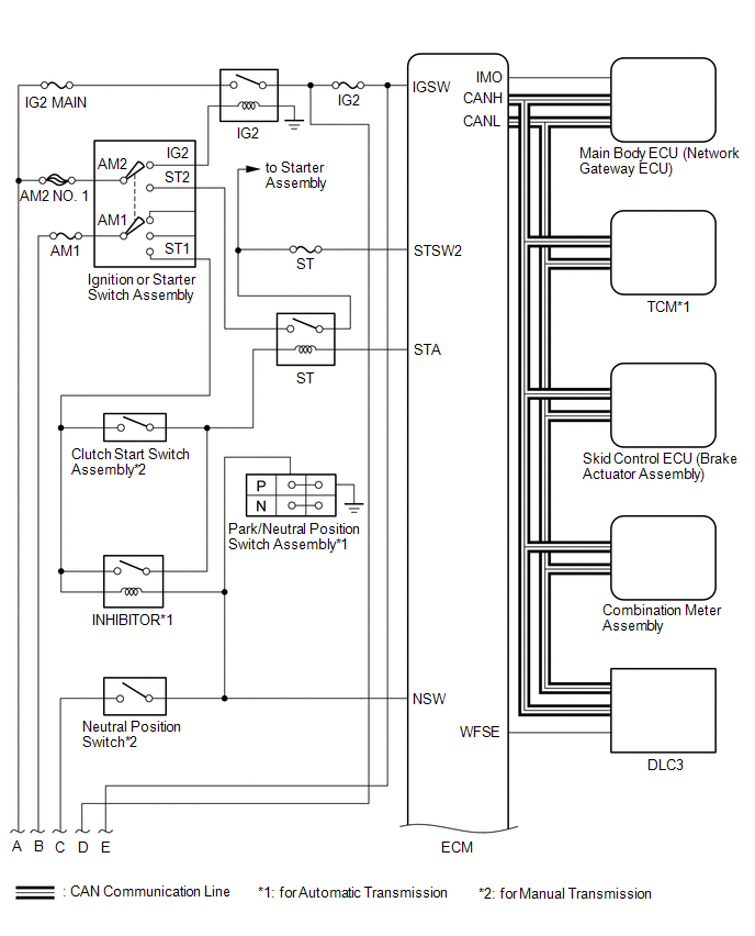
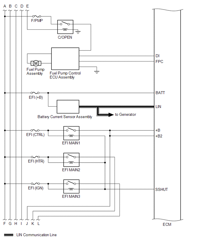
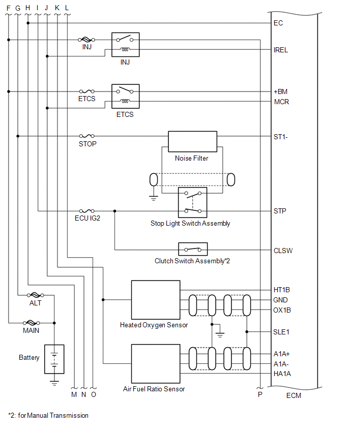
System Diagram [06/2016 - 03/2017]

GTY705912Courtesy of © TOYOTA, LICENSE AGREEMENT TMS1002
GTY710743Courtesy of © TOYOTA, LICENSE AGREEMENT TMS1002
GTY719284Courtesy of © TOYOTA, LICENSE AGREEMENT TMS1002
GTY723902Courtesy of © TOYOTA, LICENSE AGREEMENT TMS1002
GTY728039Courtesy of © TOYOTA, LICENSE AGREEMENT TMS1002
GTY692094Courtesy of © TOYOTA, LICENSE AGREEMENT TMS1002
GTY733139Courtesy of © TOYOTA, LICENSE AGREEMENT TMS1002
GTY702568Courtesy of © TOYOTA, LICENSE AGREEMENT TMS1002