LEMON Manuals: Even more car manuals for everyone: 1960-2025
Home >> Toyota >> 2020 >> Highlander XLE, FWD >> Repair and Diagnosis >> External Pages >> Different variant/trim >> Section 104 (Dynamic Torque Control AWD System - Diagnostics - Introduction) >> Dynamic Torque Control AWD System >> System Diagram [11/2023 - ] >> System Diagram [11/2023 - ]
April 5, 2026: LEMON Manuals is launched! Read the announcement.

System Diagram [11/2023 - ]

WARNING: This page is about a different variant/trim than selected.
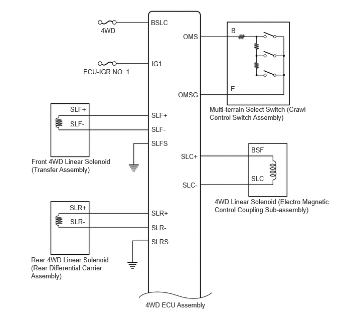
Fig 1: Dynamic Torque Control Awd System Diagram [11/2023 - ] (1 Of 3)
GTY1178296Courtesy of © TOYOTA, LICENSE AGREEMENT TMS1002
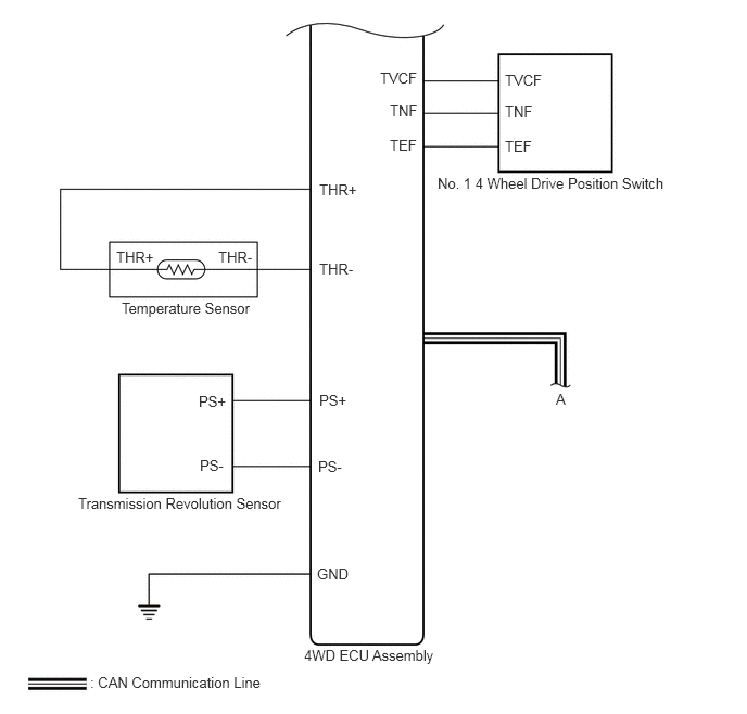
Fig 2: Dynamic Torque Control Awd System Diagram [11/2023 - ] (2 Of 3)
GTY859426Courtesy of © TOYOTA, LICENSE AGREEMENT TMS1002
Fig 3: Dynamic Torque Control Awd System Diagram [11/2023 - ] (3 Of 3)
GTY881755Courtesy of © TOYOTA, LICENSE AGREEMENT TMS1002