LEMON Manuals: Even more car manuals for everyone: 1960-2025
Home >> Toyota >> 2020 >> Land Cruiser Base >> Repair and Diagnosis >> Restraints >> Restraints Control Systems >> Pre-Collision System - Diagnostics - Introduction >> Pre-Collision System >> System Diagram [08/2015 - ] >> System Diagram [08/2015 - ]
April 5, 2026: LEMON Manuals is launched! Read the announcement.

System Diagram [08/2015 - ]

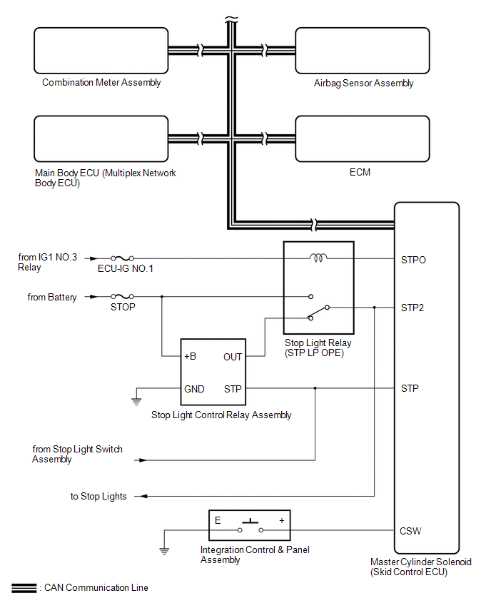
GTY864740Courtesy of © TOYOTA, LICENSE AGREEMENT TMS1002
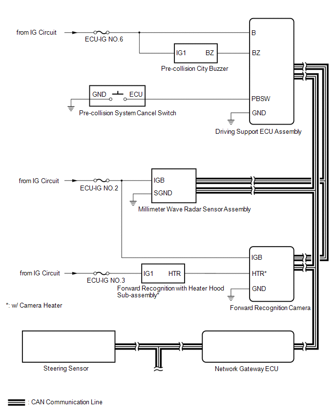
GTY731234Courtesy of © TOYOTA, LICENSE AGREEMENT TMS1002
COMMUNICATION TABLE

Transmitter Receiver Signal Communication Line
Driving Support ECU Assembly Master Cylinder Solenoid (Skid Control ECU)
  • Brake assist standby signal
  • Pre-c brake operation signal
CAN
Driving Support ECU Assembly Combination Meter Assembly
  • Pre-collisionsystem malfunction signal
  • Pre-collision system warning distance signal
  • Warning signal
  • Pre-collision system cancel signal
CAN
Driving Support ECU Assembly Forward Recognition Camera
  • Pre-collision alarm signal
  • Pre-collision brake operation signal
CAN
Master Cylinder Solenoid (Skid Control ECU) Combination Meter Assembly
  • Vehicle speed signal
  • Stop light switch signal
  • Vehicle yaw rate sensor signal
  • VSC system operation signal
  • VSC system malfunction signal
CAN
Master Cylinder Solenoid (Skid Control ECU) Forward Recognition Camera
  • Vehicle speed signal
  • Vehicle yaw rate sensor signal
CAN
Yaw Rate Sensor Driving Support ECU Assembly Vehicle yaw rate sensor signal CAN
Yaw Rate Sensor Forward Recognition Camera Vehicle yaw rate sensor signal CAN
Main Body ECU (Multiplex Network Body ECU) Driving Support ECU Assembly Vehicle specification information (destination) CAN
Main Body ECU (Multiplex Network Body ECU) Forward Recognition Camera Vehicle specification information (destination) CAN
Steering Sensor Driving Support ECU Assembly
  • Steering sensor signal
  • Steering sensor malfunction signal
CAN
Steering Sensor Forward Recognition Camera Steering sensor malfunction signal CAN
ECM Driving Support ECU Assembly
  • Shift position signal (D, R)
  • Engine type information signal
  • Vehicle specification information (2WD/4WD information)
CAN
Driving Support ECU Assembly ECM Throttle valve close signal CAN
Millimeter Wave Radar Sensor Assembly Driving Support ECU Assembly
  • Front obstacle recognition signal
  • Distance signal
  • Relative speed signal
CAN
Forward Recognition Camera Driving Support ECU Assembly
  • Front obstacle recognition signal
  • Distance signal
CAN