LEMON Manuals: Even more car manuals for everyone: 1960-2025
Home >> Toyota >> 2020 >> RAV4 Adventure >> Repair and Diagnosis (Single Page) >> Engine Performance >> System >> Engine Control System (A25A-FKS) (W/ Canister Pump Module) - Diagnostics - Introduction (1 Of 3) >> SFI SYSTEM (w/ Canister Pump Module) >> System Diagram [11/2018 - 08/2020] >> System Diagram [11/2018 - 08/2020]
April 5, 2026: LEMON Manuals is launched! Read the announcement.

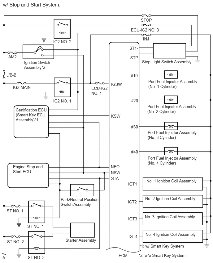
System Diagram [11/2018 - 08/2020]

GTY943154Courtesy of © TOYOTA, LICENSE AGREEMENT TMS1002
GTY920485Courtesy of © TOYOTA, LICENSE AGREEMENT TMS1002
GTY939227Courtesy of © TOYOTA, LICENSE AGREEMENT TMS1002
GTY899221Courtesy of © TOYOTA, LICENSE AGREEMENT TMS1002
GTY855308Courtesy of © TOYOTA, LICENSE AGREEMENT TMS1002