LEMON Manuals: Even more car manuals for everyone: 1960-2025
Home >> Toyota >> 2020 >> RAV4 LE, AWD >> Repair and Diagnosis (Single Page) >> Accessories & Equipment >> Anti-Theft Systems >> Wireless Door Lock Control System (Except HV, W/ Smart Key) - Diagnostics - Introduction >> WIRELESS DOOR LOCK CONTROL SYSTEM (for Gasoline Model, with Smart Key System) >> System Diagram [11/2018 - 08/2020] >> System Diagram [11/2018 - 08/2020]
April 5, 2026: LEMON Manuals is launched! Read the announcement.

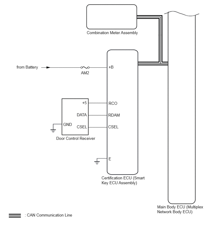
System Diagram [11/2018 - 08/2020]

  1. Wireless Door Lock Control System 
    GTY874884Courtesy of © TOYOTA, LICENSE AGREEMENT TMS1002
    GTY904603Courtesy of © TOYOTA, LICENSE AGREEMENT TMS1002
  2. Power Door Lock Control System 

    Refer to SYSTEM DIAGRAM [11/2018 - 08/2020]