LEMON Manuals: Even more car manuals for everyone: 1960-2025
Home >> Toyota >> 2020 >> Sequoia Platinum, 4WD >> Repair and Diagnosis >> Body & Frame >> Windows >> Power Window Control System - Diagnostics - Introduction >> Power Window Control System >> System Diagram [08/2019 - ] >> System Diagram [08/2019 - ]
April 5, 2026: LEMON Manuals is launched! Read the announcement.

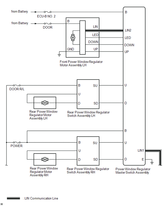
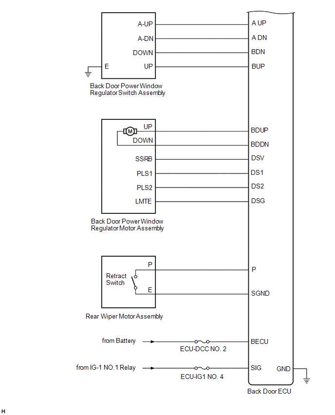
System Diagram [08/2019 - ]

GTY933951Courtesy of © TOYOTA, LICENSE AGREEMENT TMS1002
GTY876771Courtesy of © TOYOTA, LICENSE AGREEMENT TMS1002
GTY883284Courtesy of © TOYOTA, LICENSE AGREEMENT TMS1002
GTY888643Courtesy of © TOYOTA, LICENSE AGREEMENT TMS1002
COMMUNICATION TABLE

Sender Receiver Line Signal
Power window regulator master switch assembly
  • Front power window regulator motor assembly LH
  • Front power window regulator motor assembly RH
LIN Power window UP/DOWN signal
Main body ECU (multiplex network body ECU)
  • Power window regulator master switch assembly
  • Front power window regulator motor assembly LH
  • Front power window regulator motor assembly RH
LIN
  • Key-linked power window UP/DOWN signal
  • Key-OFF operation permission signal
Main body ECU (multiplex network body ECU) Back door ECU LIN Key-OFF operation permission signal
Back door ECU Main body ECU (multiplex network body ECU) LIN Status of the power window position
Certification ECU (Smart key ECU assembly) CAN Wireless power window up and down signal