LEMON Manuals: Even more car manuals for everyone: 1960-2025
Home >> Toyota >> 2020 >> Sequoia TRD Pro >> Repair and Diagnosis >> Electrical >> Starter >> Smart Key System (Keyless Start) - Diagnostics Introduction >> SMART KEY SYSTEM (for Start Function) >> System Diagram [08/2019 - ] >> System Diagram [08/2019 - ]
April 5, 2026: LEMON Manuals is launched! Read the announcement.

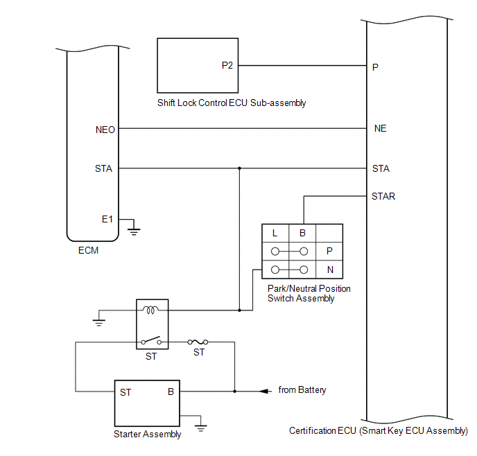
System Diagram [08/2019 - ]

  1. SMART KEY SYSTEM (for Start Function) 
    GTY871944Courtesy of © TOYOTA, LICENSE AGREEMENT TMS1002
    GTY870812Courtesy of © TOYOTA, LICENSE AGREEMENT TMS1002
    GTY883405Courtesy of © TOYOTA, LICENSE AGREEMENT TMS1002
    GTY926572Courtesy of © TOYOTA, LICENSE AGREEMENT TMS1002
    GTY934263Courtesy of © TOYOTA, LICENSE AGREEMENT TMS1002
  2. SMART KEY SYSTEM (for Entry Function) 

    Refer to SYSTEM DIAGRAM [08/2019 - ]