LEMON Manuals: Even more car manuals for everyone: 1960-2025
Home >> Toyota >> 2020 >> Yaris L, Standard Trans >> Repair and Diagnosis >> Brakes >> Traction Control >> Dynamic Stability Control System - Diagnostics - Introduction & Code Testing (1 Of 2) >> Dynamic Stability Control >> System Diagram [07/2015 - 08/2019] >> System Diagram [07/2015 - 08/2019]
April 5, 2026: LEMON Manuals is launched! Read the announcement.

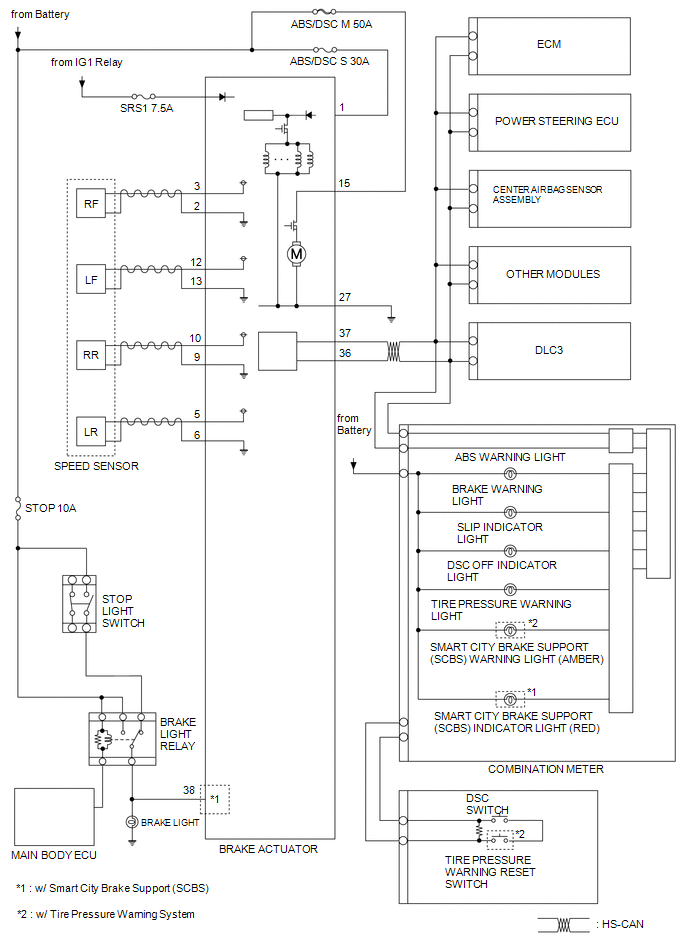
System Diagram [07/2015 - 08/2019]

  1. SYSTEM WIRING DIAGRAM [BRAKE ACTUATOR] 
    Fig 1: Brake Actuator System Wiring Diagram
    GTY699153Courtesy of © TOYOTA, LICENSE AGREEMENT TMS1002