LEMON Manuals: Even more car manuals for everyone: 1960-2025
Home >> Toyota >> 2021 >> 4Runner TRD Pro >> Repair and Diagnosis >> Accessories & Equipment >> Anti-Theft Systems >> Smart Key System (For Entry Function) - Diagnostics - Introduction (1 Of 2) >> SMART KEY SYSTEM (for Entry Function) >> System Diagram [08/2022 - ] >> System Diagram [08/2022 - ]
April 5, 2026: LEMON Manuals is launched! Read the announcement.

System Diagram [08/2022 - ]

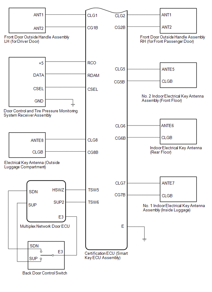
  1. This is a detailed diagram related to the certification ECU (smart key ECU assembly).
Fig 1: Certification ECU (Smart Key ECU Assembly) Wiring Diagram (1 Of 2)
GTY1100025Courtesy of © TOYOTA, LICENSE AGREEMENT TMS1002
Fig 2: Certification ECU (Smart Key ECU Assembly) Wiring Diagram (2 Of 2)
GTY885519Courtesy of © TOYOTA, LICENSE AGREEMENT TMS1002
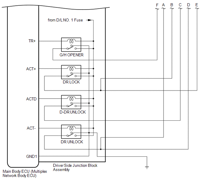
  1. This is a detailed diagram related to the main body ECU (multiplex network body ECU).
Fig 3: Smart Key System Wiring Diagram (1 Of 4)
GTY943197Courtesy of © TOYOTA, LICENSE AGREEMENT TMS1002
Fig 4: Smart Key System Wiring Diagram (2 Of 4)
GTY881488Courtesy of © TOYOTA, LICENSE AGREEMENT TMS1002
Fig 5: Smart Key System Wiring Diagram (3 Of 4)
GTY903366Courtesy of © TOYOTA, LICENSE AGREEMENT TMS1002
Fig 6: Smart Key System Wiring Diagram (4 Of 4)
GTY942968Courtesy of © TOYOTA, LICENSE AGREEMENT TMS1002
Component Function
Front door outside handle assembly Receives request signals from the certification ECU (smart key ECU assembly) via the built-in electrical key antenna (front door) and forms the vehicle exterior detection area.
Uses the built-in touch sensor (lock sensor/unlock sensor) to detect the operation of the front door outside handle assembly and sends signals to the certification ECU (smart key ECU assembly).
No. 2 indoor electrical key antenna assembly (front floor)
Indoor electrical key antenna (rear floor)
No. 1 indoor electrical key antenna assembly (inside luggage)
Receives the request code from the certification ECU (smart key ECU assembly) and forms the vehicle interior detection area.
Electrical key antenna (outside luggage compartment) Receives the request code from the certification ECU (smart key ECU assembly) and forms the luggage door exterior detection area.
Back door control switch Sends switch operation signals to the multiplex network door ECU.
Door control and tire pressure monitoring system receiver assembly Receives the smart key system code/wireless code sent from the electrical key transmitter sub-assembly and sends it to the certification ECU (smart key ECU assembly).
Wireless door lock buzzer Sounds when warning functions operate in accordance with certification ECU (smart key ECU assembly) control.
Electrical key transmitter sub-assembly Sends the ID code upon receiving a request signal.
Certification ECU (smart key ECU assembly) Sends request codes to each electrical key antenna.
Distinguishes and verifies the ID code from the electrical key transmitter sub-assembly and sends signals to each ECU in response to operated functions (controls entire system).
Performs encryption code communication with the ID code box (immobilizer code ECU) when ignition operations are performed.