LEMON Manuals: Even more car manuals for everyone: 1960-2025
Home >> Toyota >> 2021 >> C-HR LE >> Repair and Diagnosis (Single Page) >> Accessories & Equipment >> Anti-Theft Systems >> Wireless Door Lock Control System (W/ Smart Key) - Diagnostics - Introduction >> WIRELESS DOOR LOCK CONTROL SYSTEM (w/ Smart Key System) >> System Diagram [02/2017 - ] >> System Diagram [02/2017 - ]
April 5, 2026: LEMON Manuals is launched! Read the announcement.

System Diagram [02/2017 - ]

  1. Wireless Door Lock Control System 
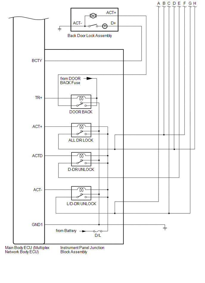
    Fig 1: Wireless Door Lock Control System Wiring Diagram (1 Of 4)
    GTY765249Courtesy of © TOYOTA, LICENSE AGREEMENT TMS1002
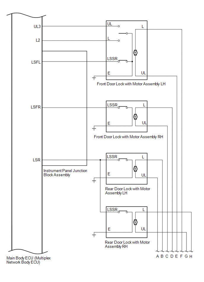
    Fig 2: Wireless Door Lock Control System Wiring Diagram (2 Of 4)
    GTY768963Courtesy of © TOYOTA, LICENSE AGREEMENT TMS1002
    Fig 3: Wireless Door Lock Control System Wiring Diagram (3 Of 4)
    GTY742074Courtesy of © TOYOTA, LICENSE AGREEMENT TMS1002
    Fig 4: Wireless Door Lock Control System Wiring Diagram (4 Of 4)
    GTY774310Courtesy of © TOYOTA, LICENSE AGREEMENT TMS1002
    COMMUNICATION TABLE

    Sender Receiver Signal Line
    Certification ECU
    (Smart Key ECU Assembly)
    Main Body ECU
    (Multiplex Network Body ECU)
    Wireless door lock/unlock signal CAN
    Main Body ECU
    (Multiplex Network Body ECU)
    Combination Meter Assembly Wireless door lock hazard warning light request signal CAN