LEMON Manuals: Even more car manuals for everyone: 1960-2025
Home >> Toyota >> 2021 >> C-HR LE >> Repair and Diagnosis (Single Page) >> Engine Performance >> System >> Engine Control System (W/ Canister Pump) - Circuit / Symptom Tests >> SFI SYSTEM (w/ Canister Pump Module) >> Circuit Tests >> ECM Power Source Circuit [02/2017 - ] >> Wiring Diagram
April 5, 2026: LEMON Manuals is launched! Read the announcement.

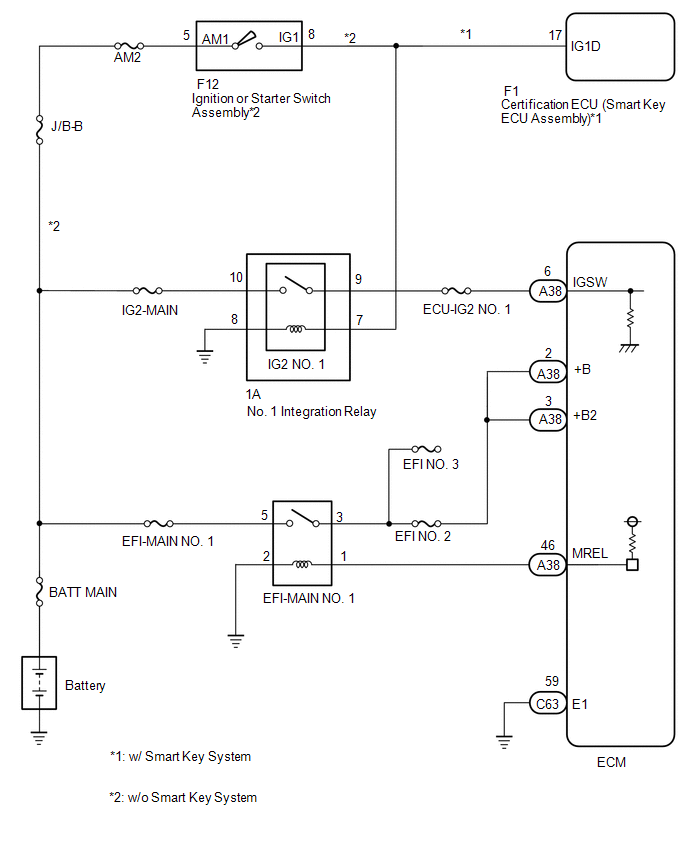
ECM Power Source Circuit [02/2017 - ]: Wiring Diagram

Fig 1: ECM Power Source Circuit Diagram
GTY1041011Courtesy of © TOYOTA, LICENSE AGREEMENT TMS1002