LEMON Manuals: Even more car manuals for everyone: 1960-2025
Home >> Toyota >> 2021 >> C-HR LE >> Repair and Diagnosis (Single Page) >> Engine Performance >> System >> Engine Control System (W/O Canister Pump) - Diagnostics - Introduction >> SFI SYSTEM (w/o Canister Pump Module) >> System Diagram [10/2017 - 12/2021] >> System Diagram [10/2017 - 12/2021]
April 5, 2026: LEMON Manuals is launched! Read the announcement.

System Diagram [10/2017 - 12/2021]

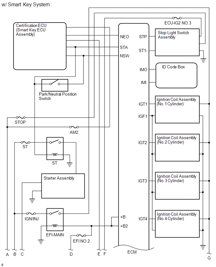
Fig 1: SFI System (W/O Canister Pump Module) Wiring Diagram (1 Of 6)
GTY763760Courtesy of © TOYOTA, LICENSE AGREEMENT TMS1002
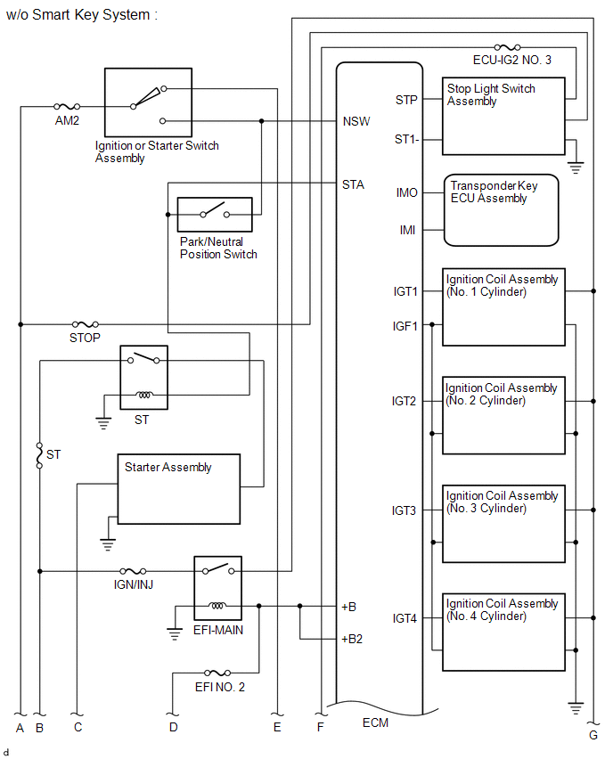
Fig 2: SFI System (W/O Canister Pump Module) Wiring Diagram (2 Of 6)
GTY765830Courtesy of © TOYOTA, LICENSE AGREEMENT TMS1002
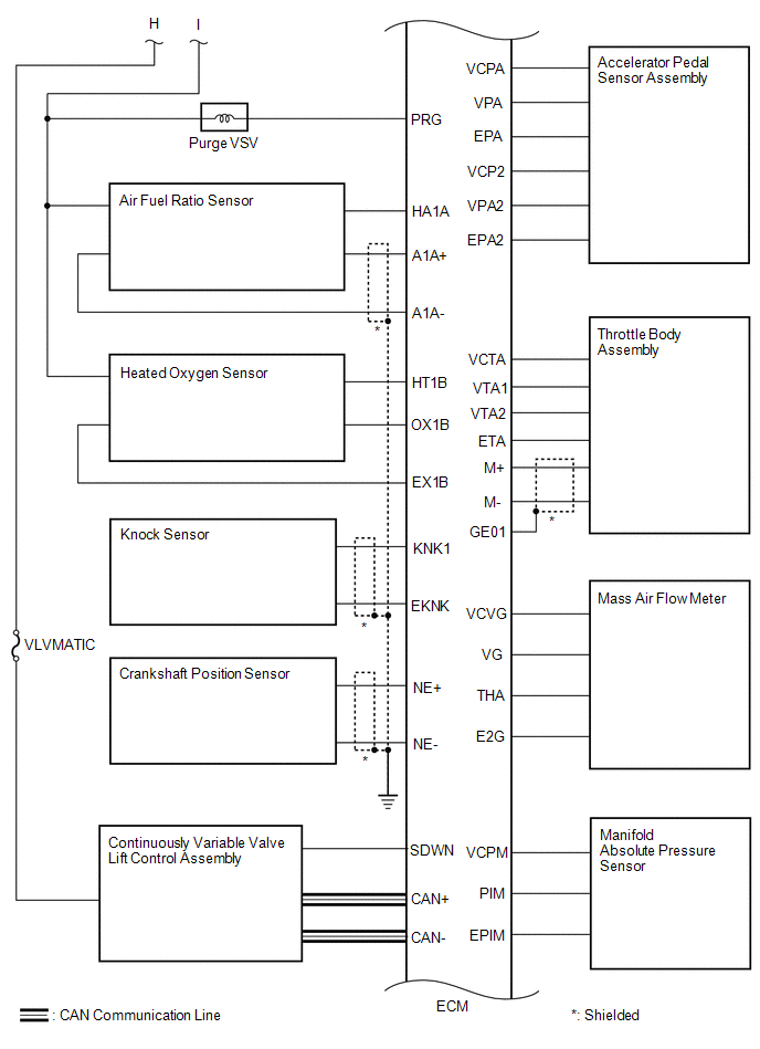
Fig 3: SFI System (W/O Canister Pump Module) Wiring Diagram (3 Of 6)
GTY924451Courtesy of © TOYOTA, LICENSE AGREEMENT TMS1002
Fig 4: SFI System (W/O Canister Pump Module) Wiring Diagram (4 Of 6)
GTY741549Courtesy of © TOYOTA, LICENSE AGREEMENT TMS1002
Fig 5: SFI System (W/O Canister Pump Module) Wiring Diagram (5 Of 6)
GTY925823Courtesy of © TOYOTA, LICENSE AGREEMENT TMS1002
Fig 6: SFI System (W/O Canister Pump Module) Wiring Diagram (6 Of 6)
GTY743567Courtesy of © TOYOTA, LICENSE AGREEMENT TMS1002