LEMON Manuals: Even more car manuals for everyone: 1960-2025
Home >> Toyota >> 2021 >> Corolla SE Apex >> Repair and Diagnosis (Single Page) >> Engine Performance >> System >> Engine Control System (M20A-FKS) - Diagnostics - Introduction (01 Of 10) >> SFI System >> System Diagram [01/2019 - 09/2019] >> System Diagram [01/2019 - 09/2019]
April 5, 2026: LEMON Manuals is launched! Read the announcement.

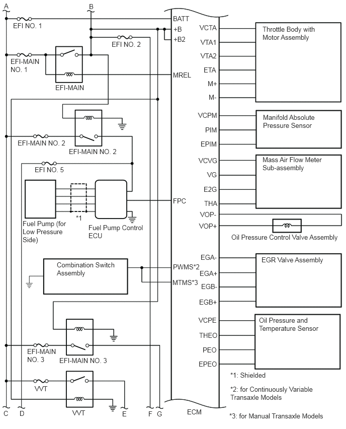
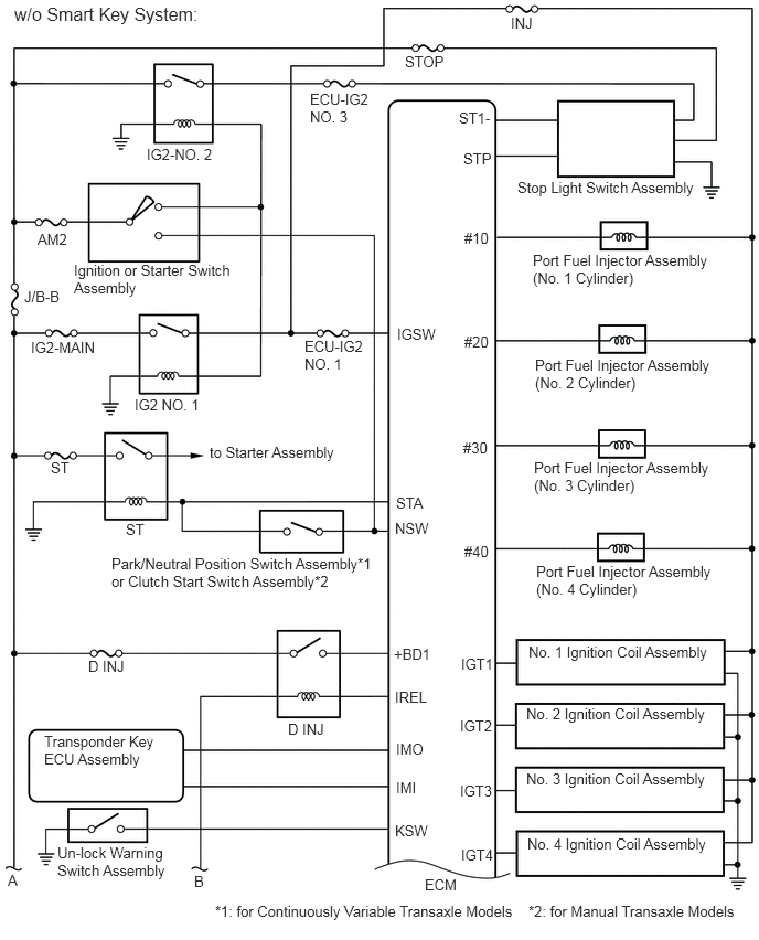
System Diagram [01/2019 - 09/2019]

GTY882833Courtesy of © TOYOTA, LICENSE AGREEMENT TMS1002
GTY856734Courtesy of © TOYOTA, LICENSE AGREEMENT TMS1002
GTY839396Courtesy of © TOYOTA, LICENSE AGREEMENT TMS1002
GTY930112Courtesy of © TOYOTA, LICENSE AGREEMENT TMS1002
GTY850748Courtesy of © TOYOTA, LICENSE AGREEMENT TMS1002