LEMON Manuals: Even more car manuals for everyone: 1960-2025
Home >> Toyota >> 2021 >> Land Cruiser Base >> Repair and Diagnosis >> Engine Performance >> System >> Engine Control System - Diagnostic Codes (4 Of 7) >> SFI System >> DTC P0705: Transmission Range Sensor Circuit (PRNDL Input) [08/2015 - 08/2017] >> Wiring Diagram
April 5, 2026: LEMON Manuals is launched! Read the announcement.

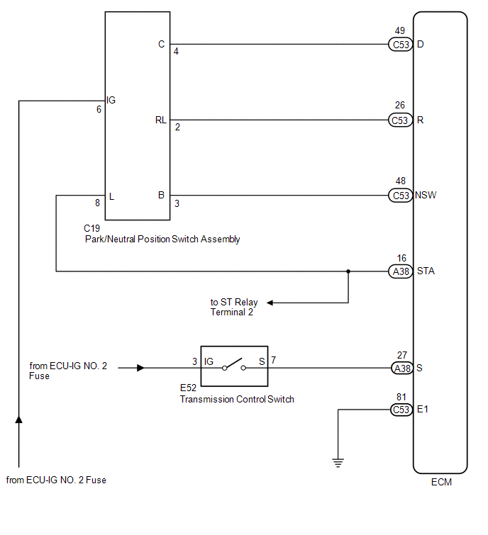
DTC P0705: Transmission Range Sensor Circuit (PRNDL Input) [08/2015 - 08/2017]: Wiring Diagram

GTY601881Courtesy of © TOYOTA, LICENSE AGREEMENT TMS1002