LEMON Manuals: Even more car manuals for everyone: 1960-2025
Home >> Toyota >> 2021 >> Land Cruiser Base >> Repair and Diagnosis >> Engine Performance >> System >> Engine Control System - Diagnostic Codes (4 Of 7) >> SFI System >> DTC P0705: Transmission Range Sensor Circuit (PRNDL Input) [08/2017 - ] >> Wiring Diagram
April 5, 2026: LEMON Manuals is launched! Read the announcement.

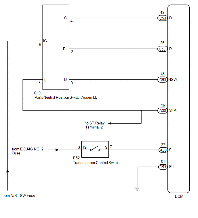
DTC P0705: Transmission Range Sensor Circuit (PRNDL Input) [08/2017 - ]: Wiring Diagram

GTY744767Courtesy of © TOYOTA, LICENSE AGREEMENT TMS1002