LEMON Manuals: Even more car manuals for everyone: 1960-2025
Home >> Toyota >> 2021 >> Land Cruiser Base >> Repair and Diagnosis >> External Pages >> Different car >> Section 1 (Power Door Lock Control System - Diagnostics - Introduction) >> Power Door Lock Control System >> System Diagram [08/2017 - ] >> System Diagram [08/2017 - ]
April 5, 2026: LEMON Manuals is launched! Read the announcement.

System Diagram [08/2017 - ]

WARNING: This page is about a different car, the 2020 Toyota Land Cruiser, 2019 Toyota Land Cruiser, 2018 Toyota Land Cruiser, 2017 Toyota Land Cruiser, and 2016 Toyota Land Cruiser. However, it is still accessible from the selected car via links, so may be relevant.
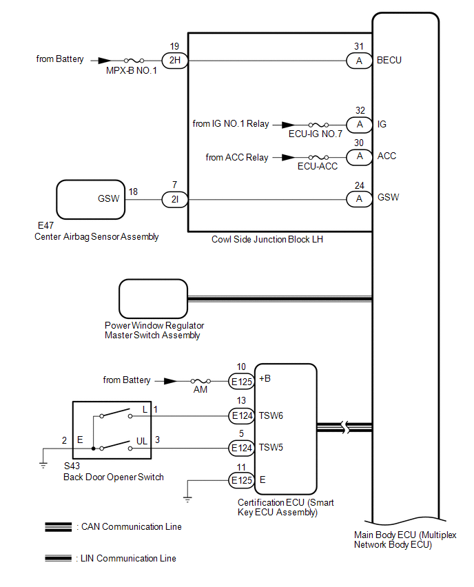
Fig 1: Power Door Lock Control System Diagram, 08/2017-- (1 Of 5)
GTY759565Courtesy of © TOYOTA, LICENSE AGREEMENT TMS1002
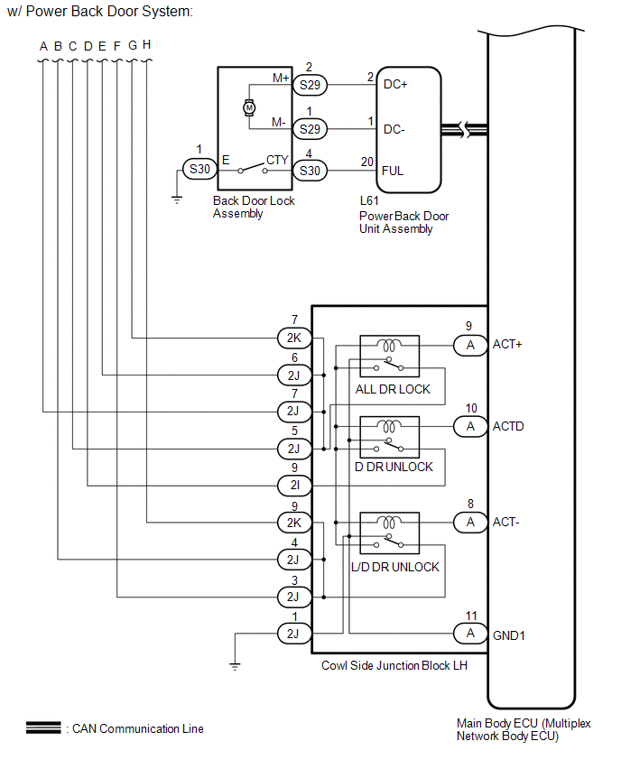
Fig 2: Power Door Lock Control System Diagram, 08/2017-- (2 Of 5)
GTY552486Courtesy of © TOYOTA, LICENSE AGREEMENT TMS1002
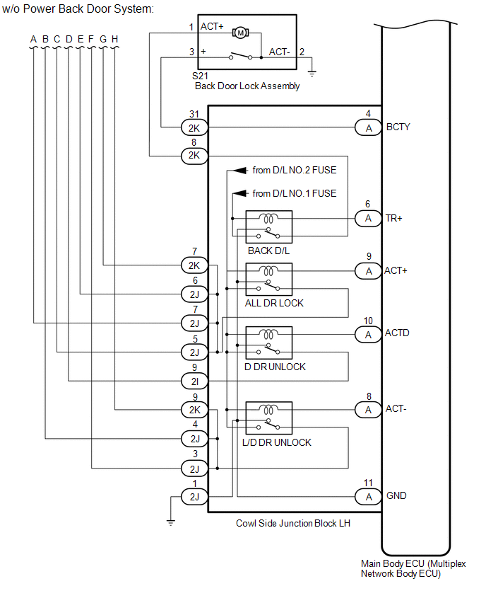
Fig 3: Power Door Lock Control System Diagram, 08/2017-- (3 Of 5)
GTY607481Courtesy of © TOYOTA, LICENSE AGREEMENT TMS1002
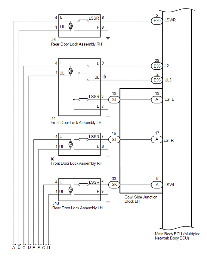
Fig 4: Power Door Lock Control System Diagram, 08/2017-- (4 Of 5)
GTY760692Courtesy of © TOYOTA, LICENSE AGREEMENT TMS1002
Fig 5: Power Door Lock Control System Diagram, 08/2017-- (5 Of 5)
GTY763163Courtesy of © TOYOTA, LICENSE AGREEMENT TMS1002