LEMON Manuals: Even more car manuals for everyone: 1960-2025
Home >> Toyota >> 2021 >> Prius LE AWD-e >> Repair and Diagnosis (Single Page) >> Accessories & Equipment >> Anti-Theft Systems >> Smart Key System (Keyless Entry) - Symptom Tests >> SMART KEY SYSTEM (for Entry Function) >> New Key cannot be Registered [11/2015 - ] >> Wiring Diagram
April 5, 2026: LEMON Manuals is launched! Read the announcement.

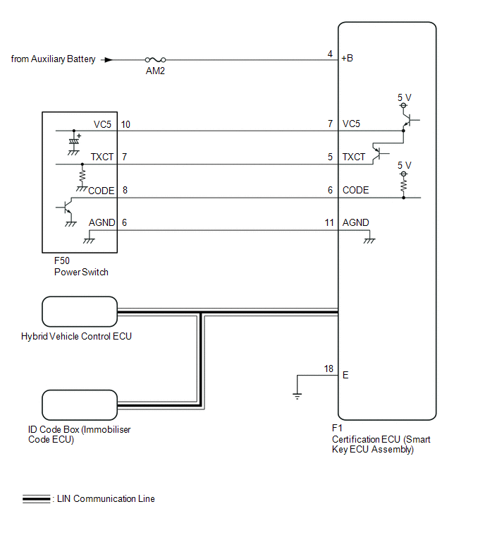
New Key cannot be Registered [11/2015 - ]: Wiring Diagram

GTY590903Courtesy of © TOYOTA, LICENSE AGREEMENT TMS1002