LEMON Manuals: Even more car manuals for everyone: 1960-2025
Home >> Toyota >> 2021 >> Prius LE AWD-e >> Repair and Diagnosis (Single Page) >> Brakes >> Traction Control >> Electronically Controlled Brake System - Diagnostic Codes (3 Of 5) >> Electronically Controlled Brake System >> DTC C1413: Front Speed Sensor RH Circuit Output; DTC C1414: Front Speed Sensor LH Circuit Output [11/2015 - 12/2018] >> Wiring Diagram
April 5, 2026: LEMON Manuals is launched! Read the announcement.

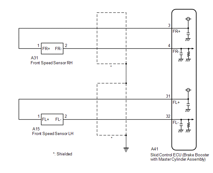
DTC C1413: Front Speed Sensor RH Circuit Output; DTC C1414: Front Speed Sensor LH Circuit Output [11/2015 - 12/2018]: Wiring Diagram

GTY588416Courtesy of © TOYOTA, LICENSE AGREEMENT TMS1002