LEMON Manuals: Even more car manuals for everyone: 1960-2025
Home >> Toyota >> 2021 >> Prius XLE AWD-e >> Repair and Diagnosis (Single Page) >> Accessories & Equipment >> Wiper/Washer Systems >> Wiper System / Washer System - Diagnostics - Introduction >> Wiper And Washer System >> System Diagram [11/2015 - ] >> System Diagram [11/2015 - ]
April 5, 2026: LEMON Manuals is launched! Read the announcement.

System Diagram [11/2015 - ]

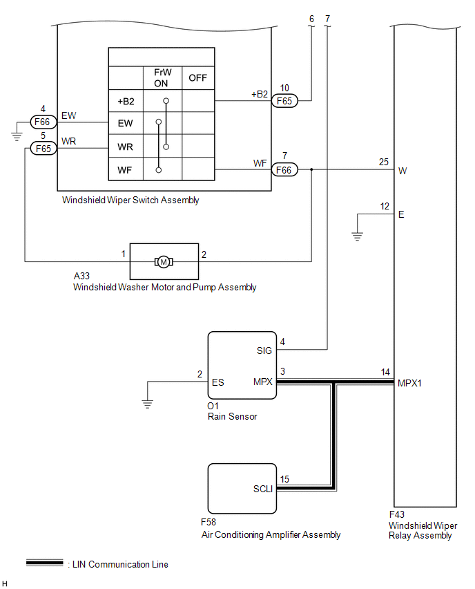
  1. FRONT WIPER AND WASHER SYSTEM (w/ Auto Wiper System) 
    GTY543153Courtesy of © TOYOTA, LICENSE AGREEMENT TMS1002
    GTY548406Courtesy of © TOYOTA, LICENSE AGREEMENT TMS1002
    GTY579221Courtesy of © TOYOTA, LICENSE AGREEMENT TMS1002
  2. FRONT WIPER AND WASHER SYSTEM (w/o Auto Wiper System) 
    GTY589657Courtesy of © TOYOTA, LICENSE AGREEMENT TMS1002
    GTY551581Courtesy of © TOYOTA, LICENSE AGREEMENT TMS1002
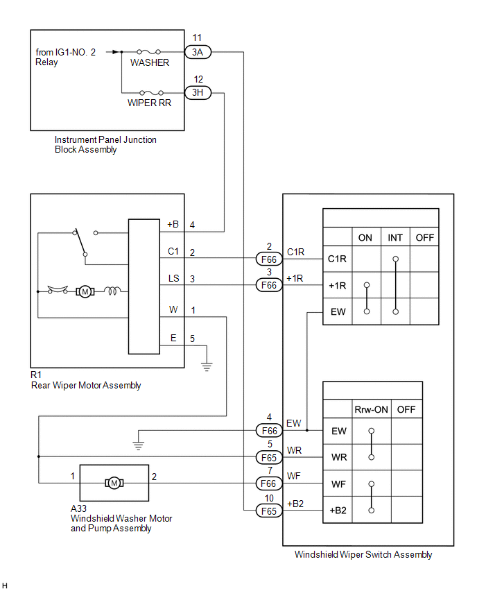
  3. REAR WIPER AND WASHER SYSTEM (w/ Rear Wiper System) 
    GTY598712Courtesy of © TOYOTA, LICENSE AGREEMENT TMS1002
  4. WASHER FLUID LEVEL WARNING SYSTEM (w/ Level Warning Switch) 
    GTY602102Courtesy of © TOYOTA, LICENSE AGREEMENT TMS1002