LEMON Manuals: Even more car manuals for everyone: 1960-2025
Home >> Toyota >> 2021 >> Prius XLE AWD-e >> Repair and Diagnosis (Single Page) >> Body & Frame >> Windows >> Power Window Control System - Diagnostics - Introduction >> Power Window Control System >> System Diagram [11/2015 - ] >> System Diagram [11/2015 - ]
April 5, 2026: LEMON Manuals is launched! Read the announcement.

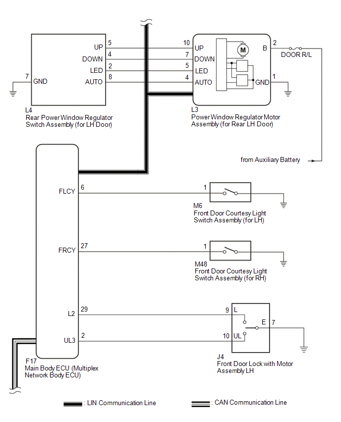
System Diagram [11/2015 - ]

GTY549067Courtesy of © TOYOTA, LICENSE AGREEMENT TMS1002
GTY571330Courtesy of © TOYOTA, LICENSE AGREEMENT TMS1002
GTY576580Courtesy of © TOYOTA, LICENSE AGREEMENT TMS1002
COMMUNICATION TABLE

Transmitting ECU Receiving ECU Signal Communication Method
Multiplex Network Master Switch Assembly Power Window Regulator Motor Assembly (for Driver Door) Power window auto up and down signal LIN
  • Power Window Regulator Motor Assembly (for Front Passenger Door)
  • Power Window Regulator Motor Assembly (for Rear LH Door)
  • Power Window Regulator Motor Assembly (for Rear RH Door)
Power window remote up and down signal LIN
Main Body ECU (Multiplex Network Body ECU)
  • Power Window Regulator Motor Assembly (for Driver Door)
  • Power Window Regulator Motor Assembly (for Front Passenger Door)
  • Power Window Regulator Motor Assembly (for Rear LH Door)
  • Power Window Regulator Motor Assembly (for Rear RH Door)
Power window operation permission signal LIN
Certification ECU (Smart Key ECU Assembly) Main Body ECU (Multiplex Network Body ECU) Wireless power window operation signal CAN
Main Body ECU (Multiplex Network Body ECU) Combination Meter Assembly Window open warning request signal CAN