LEMON Manuals: Even more car manuals for everyone: 1960-2025
Home >> Toyota >> 2021 >> RAV4 LE, AWD >> Repair and Diagnosis (Single Page) >> Accessories & Equipment >> Drivers Assistance Systems - ADAS >> Parking Support Brake System (Except HV) - Diagnostic Codes >> PARKING SUPPORT BRAKE SYSTEM (for Gasoline Model) >> DTC U1177-87: Lost Communication with Side Obstacle Detection Control Module "A" (ch2) Missing Message; DTC U1178-87: Lost Communication with Side Obstacle Detection Control Module "B" (ch2) Missing Message [12/2021 - ] >> Wiring Diagram
April 5, 2026: LEMON Manuals is launched! Read the announcement.

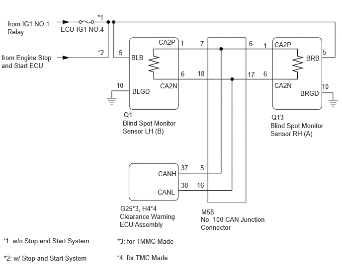
DTC U1177-87: Lost Communication with Side Obstacle Detection Control Module "A" (ch2) Missing Message; DTC U1178-87: Lost Communication with Side Obstacle Detection Control Module "B" (ch2) Missing Message [12/2021 - ]: Wiring Diagram

Fig 1: DTC U1177-87: Lost Communication with Side Obstacle Detection Control Module "A" (ch2) Missing Message; DTC U1178-87: Lost Communication with Side Obstacle Detection Control Module "B" (ch2) Missing Message [12/2021 - ]
GTY1118174Courtesy of © TOYOTA, LICENSE AGREEMENT TMS1002