LEMON Manuals: Even more car manuals for everyone: 1960-2025
Home >> Toyota >> 2021 >> RAV4 LE, AWD >> Repair and Diagnosis >> Engine Performance >> Engine Control Systems >> Stop And Start System - Circuit Tests (3 Of 3) >> Stop And Start System >> STA Signal Circuit [11/2018 - 08/2020] >> Wiring Diagram
April 5, 2026: LEMON Manuals is launched! Read the announcement.

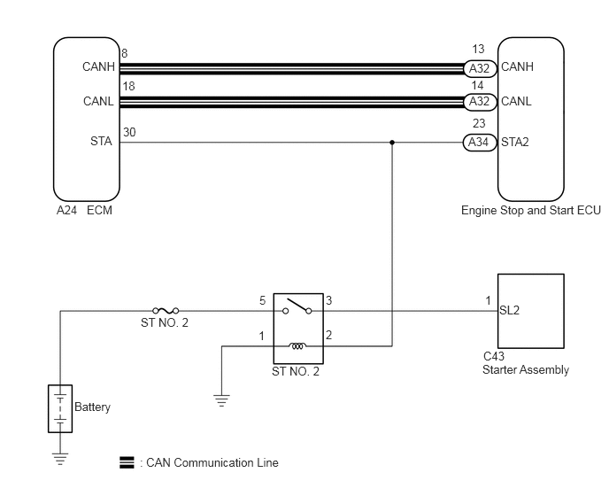
STA Signal Circuit [11/2018 - 08/2020]: Wiring Diagram

GTY861611Courtesy of © TOYOTA, LICENSE AGREEMENT TMS1002