LEMON Manuals: Even more car manuals for everyone: 1960-2025
Home >> Toyota >> 2021 >> RAV4 LE, AWD >> Repair and Diagnosis >> Engine Performance >> Engine Control Systems >> Stop And Start System - Circuit Tests (3 Of 3) >> Stop And Start System >> STA Signal Circuit [12/2021 - 10/2023] >> Wiring Diagram
April 5, 2026: LEMON Manuals is launched! Read the announcement.

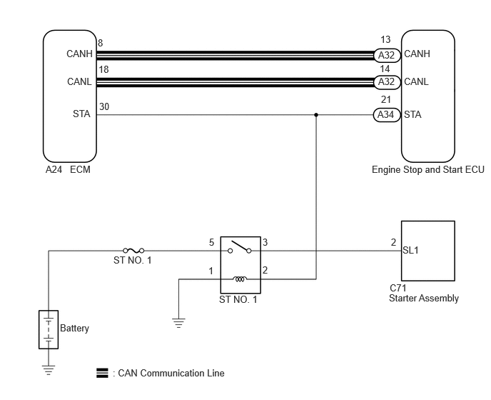
STA Signal Circuit [12/2021 - 10/2023]: Wiring Diagram

GTY1103448Courtesy of © TOYOTA, LICENSE AGREEMENT TMS1002