LEMON Manuals: Even more car manuals for everyone: 1960-2025
Home >> Toyota >> 2021 >> RAV4 LE, AWD >> Repair and Diagnosis >> External Pages >> Different variant/trim >> Section 2 (Smart Key System (For Entry, HV) - Diagnostics - Introduction) >> SMART KEY SYSTEM (for Entry Function, HV Model) >> System Diagram [11/2018 - 02/2019] >> System Diagram [11/2018 - 02/2019]
April 5, 2026: LEMON Manuals is launched! Read the announcement.

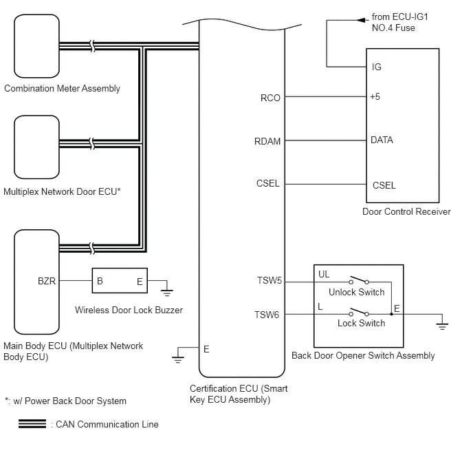
System Diagram [11/2018 - 02/2019]

WARNING: This page is about a different variant/trim than selected.
  1. SMART KEY SYSTEM (for Entry Function) 
    GTY871545Courtesy of © TOYOTA, LICENSE AGREEMENT TMS1002
    GTY936566Courtesy of © TOYOTA, LICENSE AGREEMENT TMS1002
  2. SMART KEY SYSTEM (for Start Function) 

    Refer to SYSTEM DIAGRAM [11/2018 - 12/2021]

  3. POWER DOOR LOCK CONTROL SYSTEM 

    Refer to SYSTEM DIAGRAM [11/2018 - 08/2020]

  4. WIRELESS DOOR LOCK CONTROL SYSTEM 

    Refer to SYSTEM DIAGRAM [11/2018 - ]

  5. POWER BACK DOOR SYSTEM (w/ Power Back Door System) 

    Refer to SYSTEM DIAGRAM [11/2018 - 08/2020]