LEMON Manuals: Even more car manuals for everyone: 1960-2025
Home >> Toyota >> 2021 >> RAV4 XLE Premium, AWD >> Repair and Diagnosis >> Engine Performance >> Engine Control Systems >> Stop And Start System - Diagnostics - Introduction (1 Of 3) >> Stop And Start System >> System Diagram [12/2021 - 10/2022] >> System Diagram [12/2021 - 10/2022]
April 5, 2026: LEMON Manuals is launched! Read the announcement.

System Diagram [12/2021 - 10/2022]

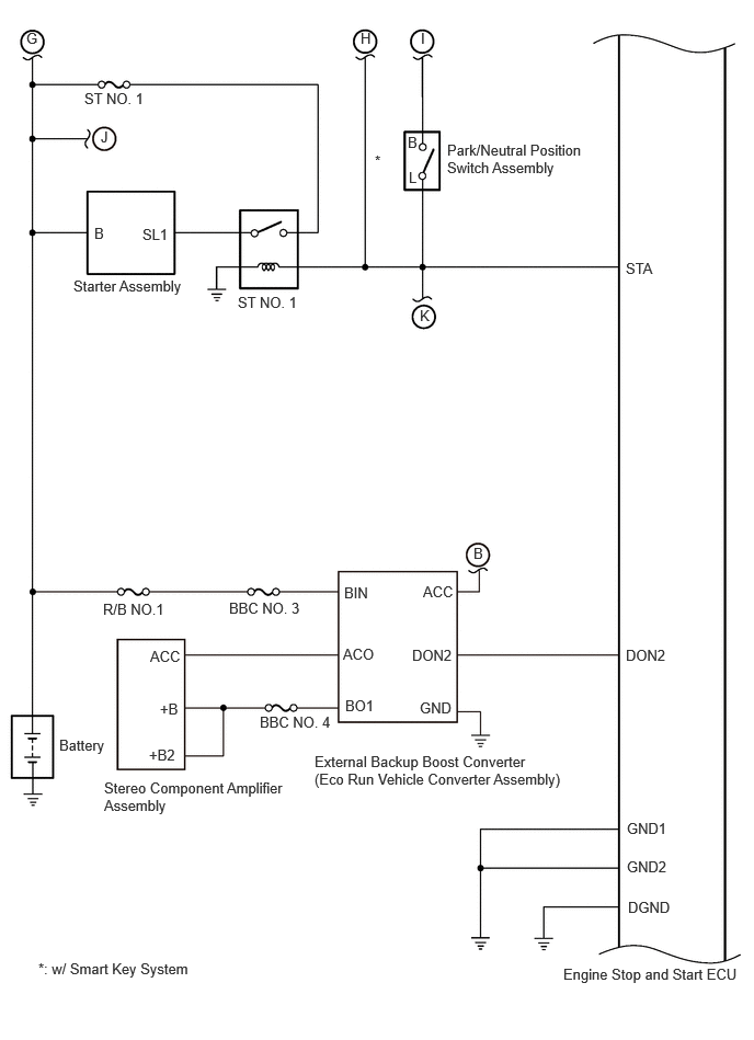
Fig 1: Stop And Start System Diagram (1 Of 7)
GTY846532Courtesy of © TOYOTA, LICENSE AGREEMENT TMS1002
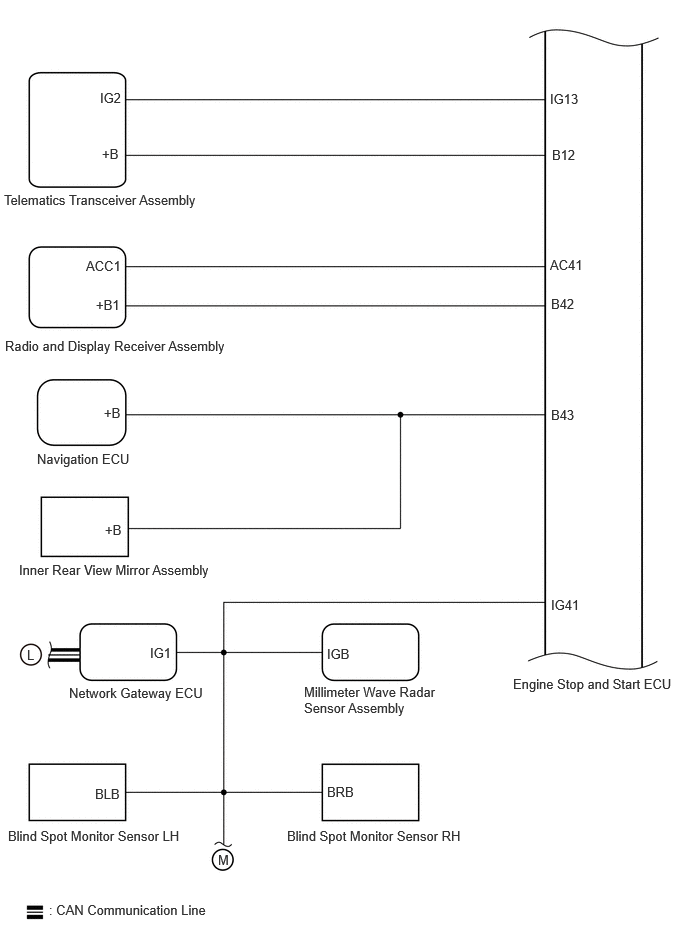
Fig 2: Stop And Start System Diagram (2 Of 7)
GTY850554Courtesy of © TOYOTA, LICENSE AGREEMENT TMS1002
Fig 3: Stop And Start System Diagram (3 Of 7)
GTY1106415Courtesy of © TOYOTA, LICENSE AGREEMENT TMS1002
Fig 4: Stop And Start System Diagram (4 Of 7)
GTY864522Courtesy of © TOYOTA, LICENSE AGREEMENT TMS1002
Fig 5: Stop And Start System Diagram (5 Of 7)
GTY1103864Courtesy of © TOYOTA, LICENSE AGREEMENT TMS1002
Fig 6: Stop And Start System Diagram (6 Of 7)
GTY1103633Courtesy of © TOYOTA, LICENSE AGREEMENT TMS1002
Fig 7: Stop And Start System Diagram (7 Of 7)
GTY1104014Courtesy of © TOYOTA, LICENSE AGREEMENT TMS1002