LEMON Manuals: Even more car manuals for everyone: 1960-2025
Home >> Toyota >> 2021 >> Sequoia TRD Pro >> Repair and Diagnosis (Single Page) >> Accessories & Equipment >> Anti-Theft Systems >> Smart Key System (Keyless Entry) - Diagnostic Codes & Symptom Tests >> SMART KEY SYSTEM (for Entry Function) >> All Door Entry Lock/Unlock Functions and Wireless Functions do not Operate [08/2019 - ] >> Wiring Diagram
April 5, 2026: LEMON Manuals is launched! Read the announcement.

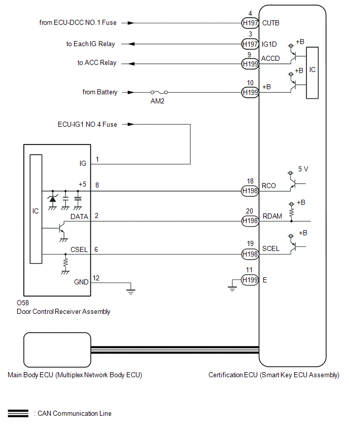
All Door Entry Lock/Unlock Functions and Wireless Functions do not Operate [08/2019 - ]: Wiring Diagram

GTY845237Courtesy of © TOYOTA, LICENSE AGREEMENT TMS1002