LEMON Manuals: Even more car manuals for everyone: 1960-2025
Home >> Toyota >> 2021 >> Sequoia TRD Pro >> Repair and Diagnosis (Single Page) >> Accessories & Equipment >> Infotainment >> Navigation System - Circuit & Symptom Tests >> Navigation System >> Stereo Component Amplifier Power Source Circuit [08/2017 - 08/2019] >> Wiring Diagram
April 5, 2026: LEMON Manuals is launched! Read the announcement.

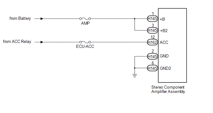
Stereo Component Amplifier Power Source Circuit [08/2017 - 08/2019]: Wiring Diagram

GTY756622Courtesy of © TOYOTA, LICENSE AGREEMENT TMS1002