LEMON Manuals: Even more car manuals for everyone: 1960-2025
Home >> Toyota >> 2021 >> Sequoia TRD Pro >> Repair and Diagnosis (Single Page) >> Body & Frame >> Windows >> Power Window Control System - Diagnostic Codes & Symptom Tests >> Power Window Control System >> Manual Up / Down Function does not Operate on Back Door Only [08/2019 - ] >> Wiring Diagram
April 5, 2026: LEMON Manuals is launched! Read the announcement.

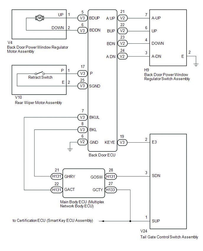
Manual Up / Down Function does not Operate on Back Door Only [08/2019 - ]: Wiring Diagram

GTY856320Courtesy of © TOYOTA, LICENSE AGREEMENT TMS1002