LEMON Manuals: Even more car manuals for everyone: 1960-2025
Home >> Toyota >> 2021 >> Sequoia TRD Pro >> Repair and Diagnosis (Single Page) >> Engine Performance >> System >> Engine Control System (3UR-FE) - Diagnostics - Introduction (1 Of 3) >> SFI System >> System Diagram [08/2017 - 08/2019] >> System Diagram [08/2017 - 08/2019]
April 5, 2026: LEMON Manuals is launched! Read the announcement.

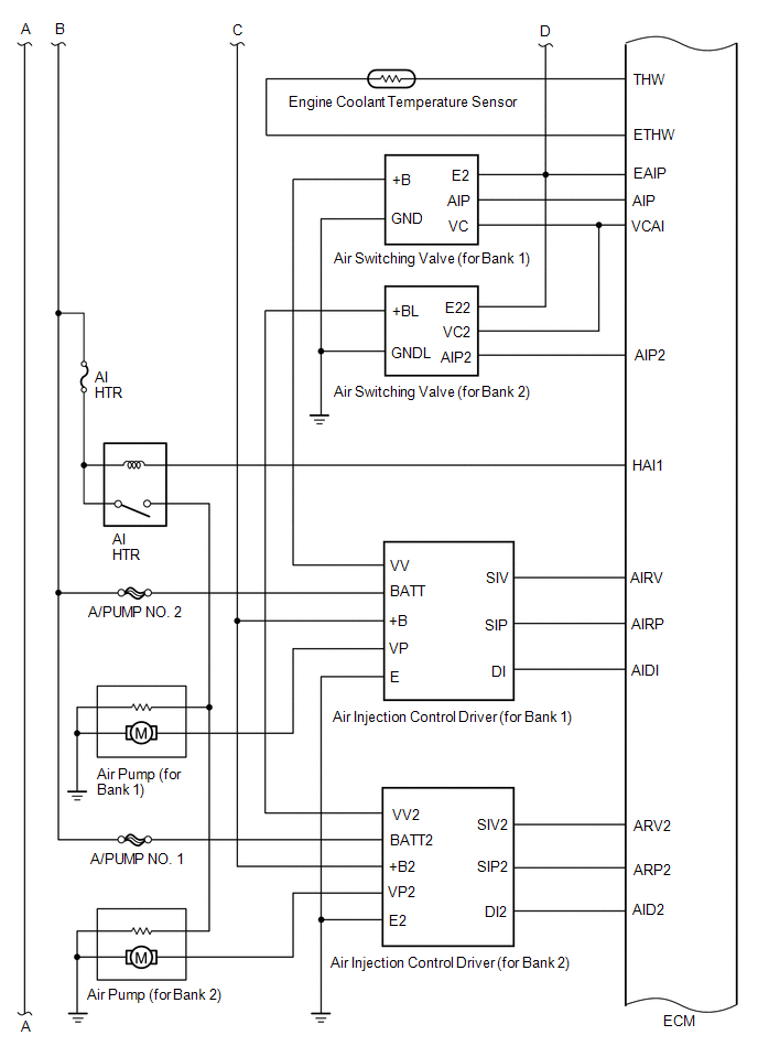
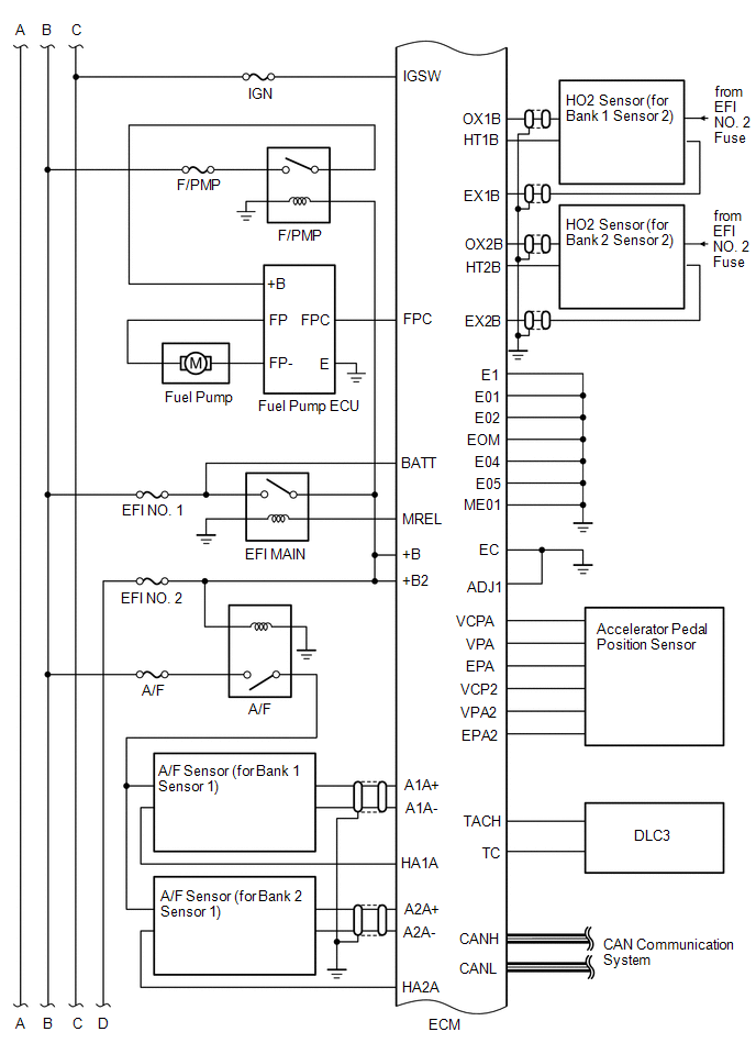
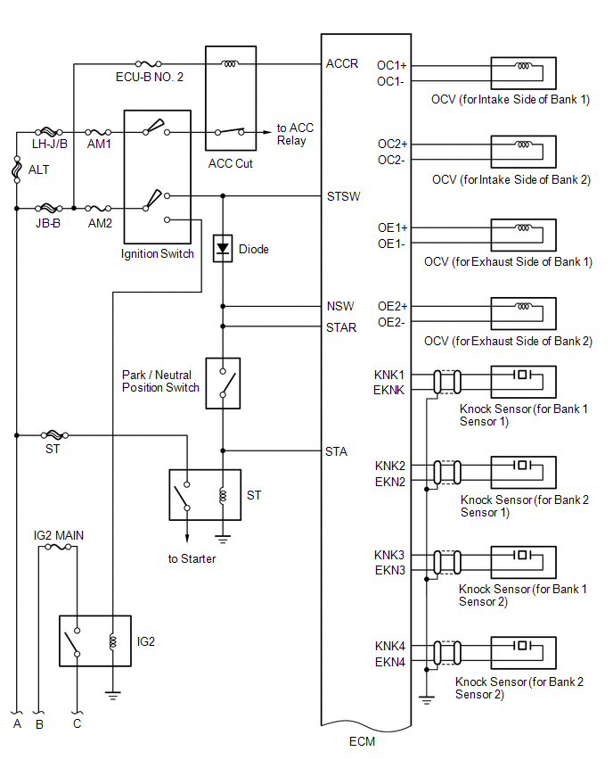
System Diagram [08/2017 - 08/2019]

GTY774169Courtesy of © TOYOTA, LICENSE AGREEMENT TMS1002
GTY767949Courtesy of © TOYOTA, LICENSE AGREEMENT TMS1002
GTY768795Courtesy of © TOYOTA, LICENSE AGREEMENT TMS1002
GTY747475Courtesy of © TOYOTA, LICENSE AGREEMENT TMS1002
GTY759053Courtesy of © TOYOTA, LICENSE AGREEMENT TMS1002
GTY749212Courtesy of © TOYOTA, LICENSE AGREEMENT TMS1002