LEMON Manuals: Even more car manuals for everyone: 1960-2025
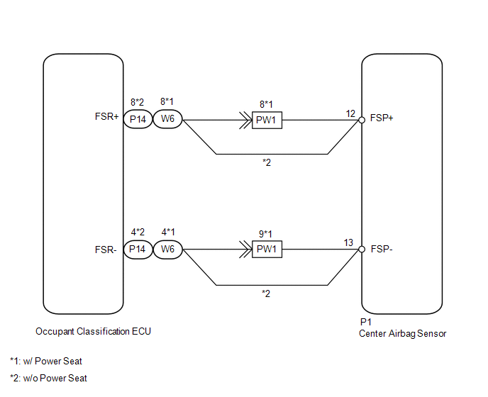
Home >> Toyota >> 2021 >> Sequoia TRD Pro >> Repair and Diagnosis (Single Page) >> Restraints >> Air Bag, SRS >> Occupant Classification System - Diagnostic Codes & Symptom Tests >> Occupant Classification System >> DTC B1790: Center Airbag Sensor Assembly Communication Circuit Malfunction [08/2015 - 08/2017] >> Wiring Diagram
April 5, 2026: LEMON Manuals is launched! Read the announcement.

DTC B1790: Center Airbag Sensor Assembly Communication Circuit Malfunction [08/2015 - 08/2017]: Wiring Diagram

GTY594819Courtesy of © TOYOTA, LICENSE AGREEMENT TMS1002