LEMON Manuals: Even more car manuals for everyone: 1960-2025
Home >> Toyota >> 2021 >> Sequoia TRD Pro >> Repair and Diagnosis (Single Page) >> Restraints >> Air Bag, SRS >> Occupant Classification System - Diagnostic Codes & Symptom Tests >> Occupant Classification System >> DTC B1794: Open in Occupant Classification ECU Battery Positive Line [08/2015 - 08/2019] >> Wiring Diagram
April 5, 2026: LEMON Manuals is launched! Read the announcement.

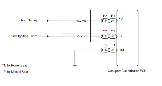
DTC B1794: Open in Occupant Classification ECU Battery Positive Line [08/2015 - 08/2019]: Wiring Diagram

GTY586581Courtesy of © TOYOTA, LICENSE AGREEMENT TMS1002