LEMON Manuals: Even more car manuals for everyone: 1960-2025
Home >> Toyota >> 2021 >> Tacoma Limited, 4WD >> Repair and Diagnosis >> Body & Frame >> Windows >> Power Window Control System (W/ Jam Protection) - Diagnostics - Introduction >> POWER WINDOW CONTROL SYSTEM (w/ Jam Protection Function) >> System Diagram [08/2015 - 08/2016] >> System Diagram [08/2015 - 08/2016]
April 5, 2026: LEMON Manuals is launched! Read the announcement.

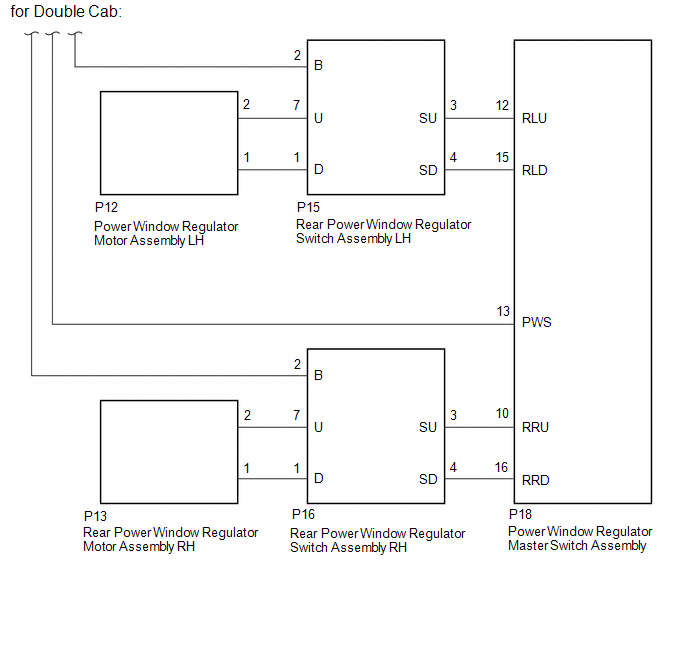
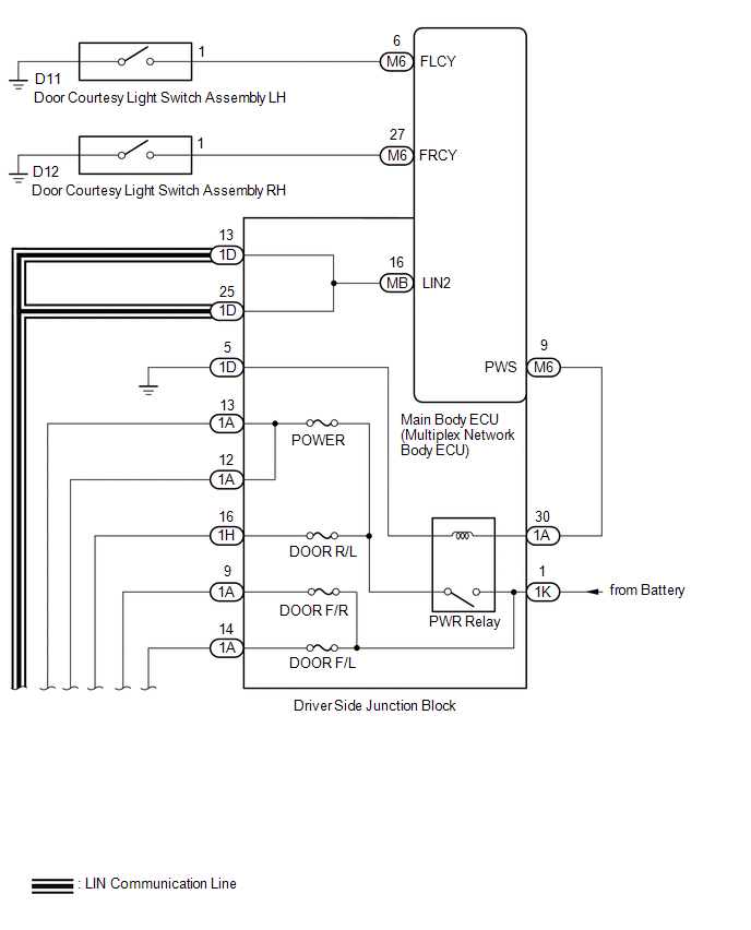
System Diagram [08/2015 - 08/2016]

GTY697086Courtesy of © TOYOTA, LICENSE AGREEMENT TMS1002
GTY734491Courtesy of © TOYOTA, LICENSE AGREEMENT TMS1002
GTY735527Courtesy of © TOYOTA, LICENSE AGREEMENT TMS1002
COMMUNICATION TABLE

Transmitting ECU Receiving ECU Signal Communication Method
Power Window Regulator Master Switch Assembly Power Window Regulator Motor Assembly (for Driver Door) Power Window Regulator Motor Assembly (for Front Passenger Door) LIN
Power Window Regulator Motor Assembly (for Front Passenger Door) Power window remote up and down signal LIN
Main body ECU (multiplex network body ECU)
  • Front power window regulator motor assembly LH
  • Front power window regulator motor assembly RH
Power window operation permission signal LIN