LEMON Manuals: Even more car manuals for everyone: 1960-2025
Home >> Toyota >> 2021 >> Tacoma TRD Pro, Standard Trans >> Repair and Diagnosis >> Body & Frame >> Windows >> Power Window Control System (W/O Jam Protection) - Inspection >> POWER WINDOW CONTROL SYSTEM (w/o Jam Protection Function) >> System Diagram [08/2016 - ] >> System Diagram [08/2016 - ]
April 5, 2026: LEMON Manuals is launched! Read the announcement.

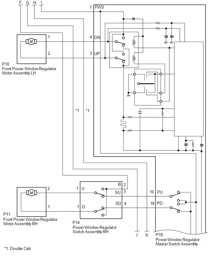
System Diagram [08/2016 - ]

GTY710599Courtesy of © TOYOTA, LICENSE AGREEMENT TMS1002
GTY745209Courtesy of © TOYOTA, LICENSE AGREEMENT TMS1002
GTY708504Courtesy of © TOYOTA, LICENSE AGREEMENT TMS1002
GTY721119Courtesy of © TOYOTA, LICENSE AGREEMENT TMS1002