LEMON Manuals: Even more car manuals for everyone: 1960-2025
Home >> Toyota >> 2021 >> Tundra SR, RWD >> Repair and Diagnosis >> Accessories & Equipment >> Anti-Theft Systems >> Smart Key System (For Entry Function) - Diagnostics - Introduction >> SMART KEY SYSTEM (for Entry Function) >> System Diagram [08/2019 - ] >> System Diagram [08/2019 - ]
April 5, 2026: LEMON Manuals is launched! Read the announcement.

System Diagram [08/2019 - ]

  1. SMART KEY SYSTEM (for Entry Function) 
    Fig 1: Smart Key System (For Entry Function) System Diagram (1 Of 2)
    GTY896896Courtesy of © TOYOTA, LICENSE AGREEMENT TMS1002
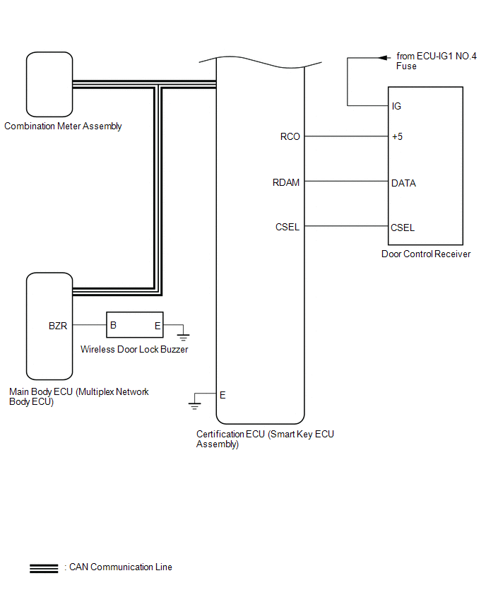
    Fig 2: Smart Key System (For Entry Function) System Diagram (2 Of 2)
    GTY895312Courtesy of © TOYOTA, LICENSE AGREEMENT TMS1002
  2. SMART KEY SYSTEM (for Start Function) 

    Refer to SYSTEM DIAGRAM [08/2019 - ]

  3. POWER DOOR LOCK CONTROL SYSTEM 

    Refer to SYSTEM DIAGRAM [08/2019 - ]

  4. WIRELESS DOOR LOCK CONTROL SYSTEM 

    Refer to SYSTEM DIAGRAM [08/2019 - ]