LEMON Manuals: Even more car manuals for everyone: 1960-2025
Home >> Toyota >> 2021 >> Venza Limited >> Repair and Diagnosis >> Body & Frame >> Door Locks >> Smart Key System (For Start Function) - Diagnostics - Introduction >> SMART KEY SYSTEM (for Start Function) >> System Diagram [12/2021 - ] >> System Diagram [12/2021 - ]
April 5, 2026: LEMON Manuals is launched! Read the announcement.

System Diagram [12/2021 - ]

  1. SMART KEY SYSTEM (for Start Function) 
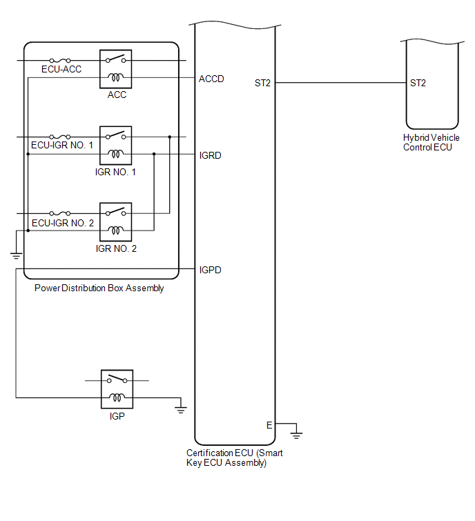
    Fig 1: Smart Key System Wiring Diagram (For Start Function) (1 Of 3)
    GTY1013318Courtesy of © TOYOTA, LICENSE AGREEMENT TMS1002
    Fig 2: Smart Key System Wiring Diagram (For Start Function) (2 Of 3)
    GTY1118164Courtesy of © TOYOTA, LICENSE AGREEMENT TMS1002
    Fig 3: Smart Key System Wiring Diagram (For Start Function) (3 Of 3)
    GTY1013387Courtesy of © TOYOTA, LICENSE AGREEMENT TMS1002
  2. SMART KEY SYSTEM (for Entry Function) 

    Refer to SYSTEM DIAGRAM [07/2020 - ]