LEMON Manuals: Even more car manuals for everyone: 1960-2025
Home >> Toyota >> 2022 >> Sequoia TRD Pro >> Repair and Diagnosis >> Transmission >> Transfer Case >> 4WD Control / Transfer Case Control System - Inspection >> Touch Select 2-4 And High-Low System >> System Description [08/2015 - 08/2017] >> System Description [08/2015 - 08/2017]
April 5, 2026: LEMON Manuals is launched! Read the announcement.

System Description [08/2015 - 08/2017]

  1. DESCRIPTION 
    • Through the combination of the JF3A transfer system and A.D.D. (Automatic Disconnecting Differential), the multi-mode 4WD system maximizes dynamic performance and achieves efficient running by enabling an optimal driving mode to be selected from the 5 types of driving range (H2, H4F, H4L, L4F and L4L) in accordance with the road conditions. Driving mode is selected by operating the 4WD control switch and the center differential lock switch.
    • Through these switch signals, the 4WD control ECU actuates the 2 shift motors in the transfer shift actuator and another shift motor in the A.D.D. shift actuator.
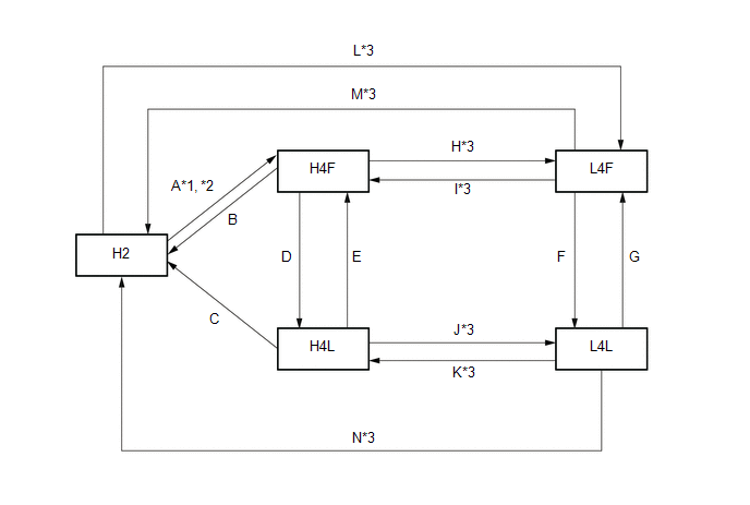
  2. DRIVING MODE SWITCHING PATTERN 

    As indicated by the 4WD mode switching pattern illustrated below, the 4WD control switch and the center differential lock switch do not operate simultaneously while switching H-L.

    GTY245027Courtesy of © TOYOTA, LICENSE AGREEMENT TMS1002
    • This signal becomes inactive even if the center differential lock switch is turned ON during H-L switching.
    • When the driver switches H-L while the center differential lock is switching, the actual H-L switching takes place after the center differential has been locked.
    1. 4WD Mode Switching Pattern
      GTY245026Courtesy of © TOYOTA, LICENSE AGREEMENT TMS1002

      H2: High Speed 2WD

      H4F: High Speed 4WD and Center Differential Free

      H4L: High Speed 4WD and Center Differential Lock

      L4F: Low Speed 4WD and Center Differential Free

      L4L: Low Speed 4WD and Center Differential Lock

      HINT: 

      • *1: If the center differential switch is turned ON while switching from H2 to H4F, it will proceed directly to the H4L mode without engaging the H4F mode.
      • *2: H2 → H4F switching cannot be made unless the vehicle speed is less than 100 km/h (62 mph). If H2 → H4F switching is operated in any other condition, the 4HI indicator light blinks and the buzzer sounds in the combination meter. (To cancel: 4WD control switch is returned to its original position.)
      • *3: H-L switching cannot be made unless the A/T shift position is N.

        If the 4WD control switch is operated in any other condition, the 4LO indicator light blinks and the buzzer sounds in the combination meter. (To cancel: 4WD control switch is returned to its original position.)

  3. FUNCTION OF COMPONENTS 
    Components Functions
    4HI indicator light Indicates that the transfer mode is 4WD HIGH (H4).
    4LO indicator light Indicates that the transfer mode is 4WD LOW (L4).
    CENTER DIFF. indicator light Indicates that the center differential is in LOCK mode
    Warning buzzer Sounds an alarm if a violation of the conditions required for mode shifting occurs when the transfer mode is shifted.
    Center differential lock switch Selects the center differential mode between LOCK and FREE.
    4WD control switch Controls the transfer assembly and A.D.D. actuator to select transfer mode among H2, H4, and L4.
    Multi mode limit switch Detects when the transfer mode is H2, 4L or 4F.
    High-low limit switch Detects when the transfer mode is H4 or L4.
    Center differential lock position detection switch Detects when the center differential is in LOCK mode (transfer mode either H4L or L4L).
    Actuator temperature sensor Detects the temperature inside the transfer shift actuator.
    Transfer shift actuator Shifts the transfer mode between 2WD and 4WD, the center differential between LOCK and FREE, and the gear reduction mechanism between HIGH and LOW.
    A.D.D. actuator Shifts the front differential between FREE and LOCK.
    A.D.D. detection switch Detects when the front differential is in LOCK mode.
    4WD control computer Controls the shift actuator, A.D.D. motor, and indicator lamp based on signals from each switch.