LEMON Manuals: Even more car manuals for everyone: 1960-2025
Home >> Toyota >> 2022 >> Sequoia TRD Pro >> Repair and Diagnosis >> Transmission >> Transfer Case >> 4WD Control / Transfer Case Control System - Inspection >> Touch Select 2-4 And High-Low System >> System Diagram [08/2015 - 08/2017] >> System Diagram [08/2015 - 08/2017]
April 5, 2026: LEMON Manuals is launched! Read the announcement.

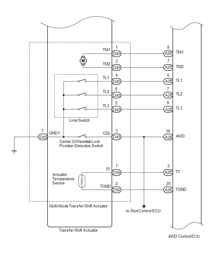
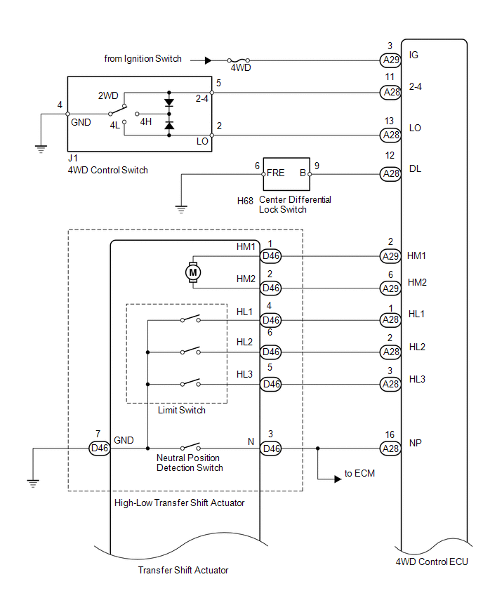
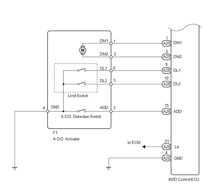
System Diagram [08/2015 - 08/2017]

GTY565880Courtesy of © TOYOTA, LICENSE AGREEMENT TMS1002
GTY559191Courtesy of © TOYOTA, LICENSE AGREEMENT TMS1002
GTY589413Courtesy of © TOYOTA, LICENSE AGREEMENT TMS1002
GTY213301Courtesy of © TOYOTA, LICENSE AGREEMENT TMS1002