LEMON Manuals: Even more car manuals for everyone: 1960-2025
Home >> Toyota >> 2022 >> Tacoma TRD Pro, Automatic Trans >> Repair and Diagnosis >> Body & Frame >> Door Locks >> Smart Key System (Entry Function) - Diagnostics - Introduction >> SMART KEY SYSTEM (for Entry Function) >> System Diagram [09/2019 - ] >> System Diagram [09/2019 - ]
April 5, 2026: LEMON Manuals is launched! Read the announcement.

System Diagram [09/2019 - ]

GTY872016Courtesy of © TOYOTA, LICENSE AGREEMENT TMS1002
GTY841578Courtesy of © TOYOTA, LICENSE AGREEMENT TMS1002

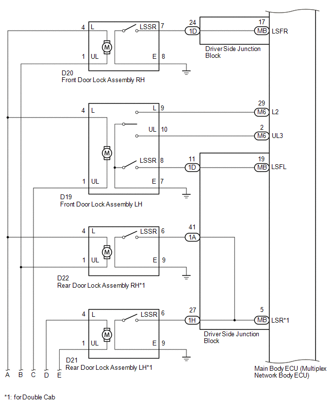
This is a detailed diagram related to the main body ECU (multiplex network body ECU).

GTY715695Courtesy of © TOYOTA, LICENSE AGREEMENT TMS1002
GTY940562Courtesy of © TOYOTA, LICENSE AGREEMENT TMS1002
GTY920738Courtesy of © TOYOTA, LICENSE AGREEMENT TMS1002
GTY725147Courtesy of © TOYOTA, LICENSE AGREEMENT TMS1002
Component Function
Front door outside handle assembly Receives request signals from the certification ECU (smart key ECU assembly) via the built-in electrical key antenna (front door) and forms the vehicle exterior detection area.
Uses the built-in touch sensor (lock sensor/unlock sensor) to detect the operation of the front door outside handle assembly and sends signals to the certification ECU (smart key ECU assembly).
No. 1 indoor electrical key antenna assembly (front floor)
No. 2 indoor electrical key antenna assembly (rear floor)
Receives the request code from the certification ECU (smart key ECU assembly) and forms the vehicle interior detection area.
Electrical key and TPMS receiver assembly Receives the smart key system code/wireless code sent from the electrical key transmitter sub-assembly and sends it to the certification ECU (smart key ECU assembly).
Wireless door lock buzzer Sounds when warning functions operate in accordance with certification ECU (smart key ECU assembly) control.
Electrical key transmitter sub-assembly Sends the ID code upon receiving a request signal.
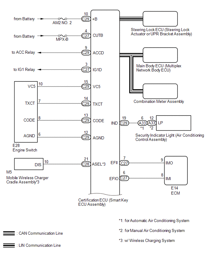
Certification ECU (smart key ECU assembly) Sends request codes to each electrical key antenna.
Distinguishes and verifies the ID code from the electrical key transmitter sub-assembly and sends signals to each ECU in response to operated functions (controls entire system).
Performs encryption code communication with the steering lock ECU (steering lock actuator or UPR bracket assembly) when ignition operations are performed.