LEMON Manuals: Even more car manuals for everyone: 1960-2025
Home >> Toyota >> 2023 >> GR86 Base, Automatic Trans >> Repair and Diagnosis (Single Page) >> Accessories & Equipment >> Anti-Theft Systems >> Keyless Access System - Diagnostic Codes (1 Of 2) >> Keyless Access System With Push Button Start >> DTC B2274: ACC Relay Control Circuit [11/2021 - ] >> Wiring Diagram
April 5, 2026: LEMON Manuals is launched! Read the announcement.

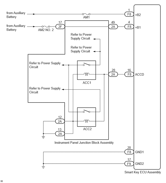
DTC B2274: ACC Relay Control Circuit [11/2021 - ]: Wiring Diagram

GTY1046993Courtesy of © TOYOTA, LICENSE AGREEMENT TMS1002