LEMON Manuals: Even more car manuals for everyone: 1960-2025
Home >> Toyota >> 2023 >> GR86 Base, Automatic Trans >> Repair and Diagnosis (Single Page) >> Accessories & Equipment >> Communication Devices >> Can Communication System - Circuit Tests (1 Of 3) & Diagnostic Codes >> Can Communication System >> Cockpit Control Module Communication Stop Mode [11/2021 - ] >> Wiring Diagram
April 5, 2026: LEMON Manuals is launched! Read the announcement.

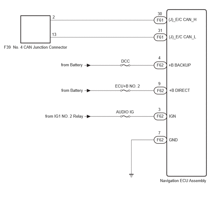
Cockpit Control Module Communication Stop Mode [11/2021 - ]: Wiring Diagram

GTY1047650Courtesy of © TOYOTA, LICENSE AGREEMENT TMS1002