LEMON Manuals: Even more car manuals for everyone: 1960-2025
Home >> Toyota >> 2024 >> RAV4 LE, AWD >> Repair and Diagnosis >> External Pages >> Different variant/trim >> Section 81 (Rear Motor Generator Control System - Diagnostics - Introduction) >> Rear Motor Generator Control System >> System Diagram [02/2019 - ] >> System Diagram [02/2019 - ]
April 5, 2026: LEMON Manuals is launched! Read the announcement.

System Diagram [02/2019 - ]

WARNING: This page is about a different variant/trim than selected.
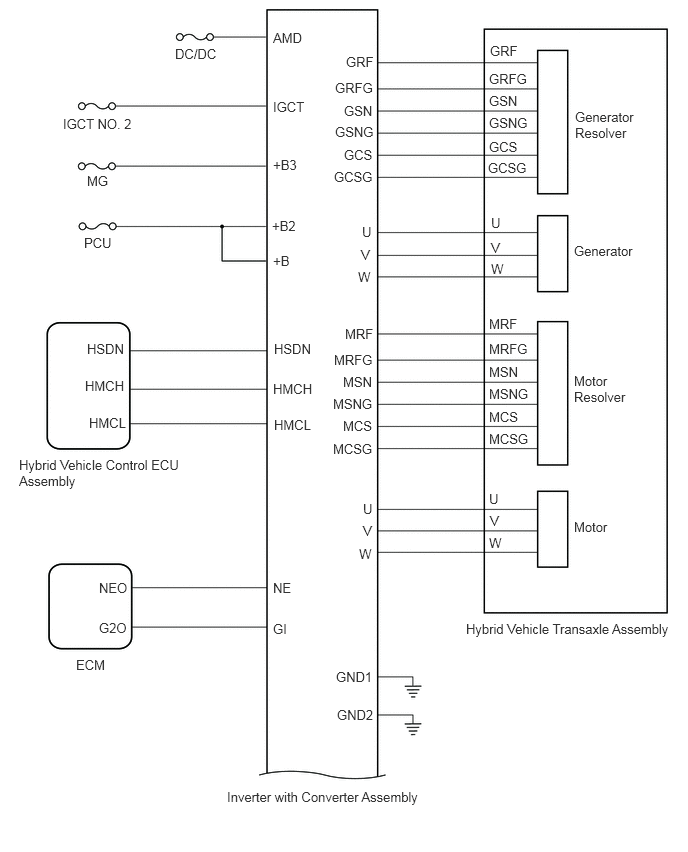
Fig 1: Rear Motor Generator Control System Diagram (1 Of 2)
GTY857502Courtesy of © TOYOTA, LICENSE AGREEMENT TMS1002
Fig 2: Rear Motor Generator Control System Diagram (2 Of 2)
GTY931720Courtesy of © TOYOTA, LICENSE AGREEMENT TMS1002