LEMON Manuals: Even more car manuals for everyone: 1960-2025
Home >> Toyota >> 2025 >> GR86 Base, Automatic Trans >> Repair and Diagnosis (Single Page) >> Engine Performance >> System >> Engine Control System - Diagnostic Codes (6 Of 6) & Circuit Tests >> SFI System >> DTC P2401: EVAP System Leak Detection Pump Control Circuit Low [11/2021 - ] >> Wiring Diagram
April 5, 2026: LEMON Manuals is launched! Read the announcement.

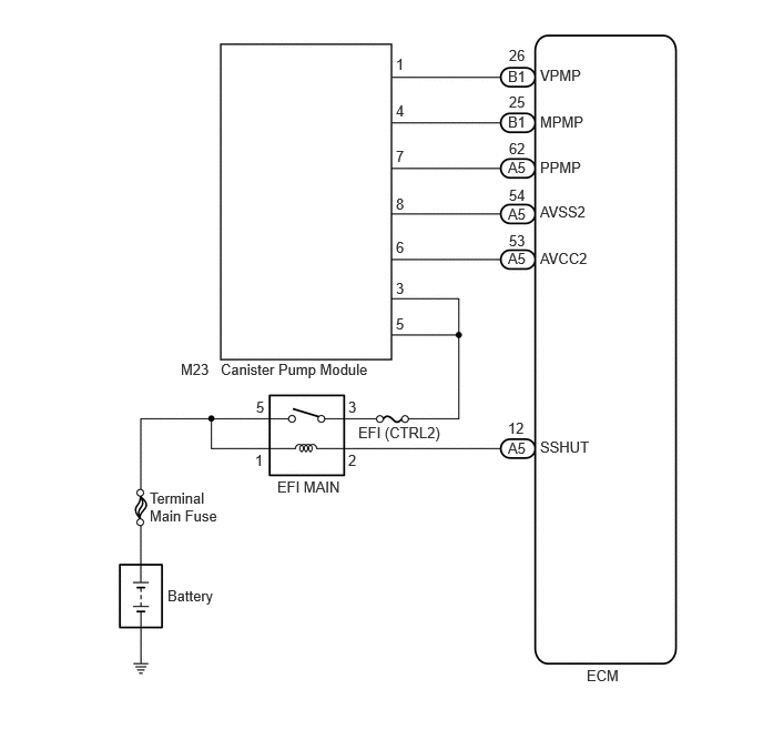
DTC P2401: EVAP System Leak Detection Pump Control Circuit Low [11/2021 - ]: Wiring Diagram

GTY1140588Courtesy of © TOYOTA, LICENSE AGREEMENT TMS1002