LEMON Manuals: Even more car manuals for everyone: 1960-2025
Home >> Toyota >> 2025 >> GR86 Base, Automatic Trans >> Repair and Diagnosis >> Engine Performance >> System >> Engine Control System - Diagnostic Codes (2 Of 6) >> SFI System >> DTC P0030: A/F / O2 Heater Control Circuit Bank 1 Sensor 1 [11/2021 - ] >> Wiring Diagram
April 5, 2026: LEMON Manuals is launched! Read the announcement.

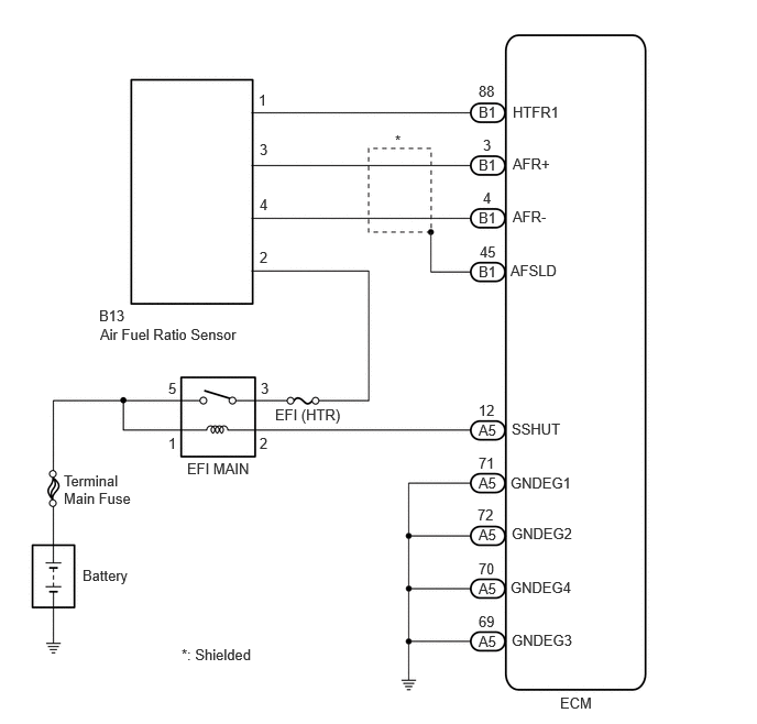
DTC P0030: A/F / O2 Heater Control Circuit Bank 1 Sensor 1 [11/2021 - ]: Wiring Diagram

GTY1157794Courtesy of © TOYOTA, LICENSE AGREEMENT TMS1002