LEMON Manuals
: Even more car manuals for everyone: 1960-2025
Home
>>
Toyota
>>
2025
>>
GR86 Base, Automatic Trans
>>
Repair and Diagnosis
>>
Engine Performance
>>
System
>>
Engine Control System - Diagnostic Codes (2 Of 6)
>>
SFI System
>>
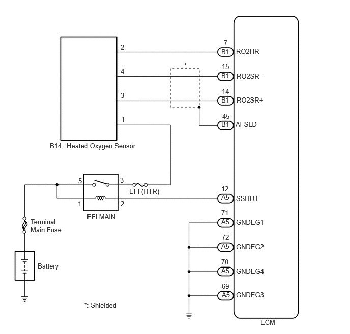
DTC P0037: A/F / O2 Heater Control Circuit Low Bank 1 Sensor 2; DTC P0141: O2 Sensor Heater Circuit Bank 1 Sensor 2 [11/2021 - ]
>>
Wiring Diagram
April 5, 2026:
LEMON Manuals is launched!
Read the announcement.
DTC P0037: A/F / O2 Heater Control Circuit Low Bank 1 Sensor 2; DTC P0141: O2 Sensor Heater Circuit Bank 1 Sensor 2 [11/2021 - ]: Wiring Diagram
Courtesy of © TOYOTA, LICENSE AGREEMENT TMS1002