LEMON Manuals: Even more car manuals for everyone: 1960-2025
Home >> Toyota >> 2025 >> GR86 Base, Automatic Trans >> Repair and Diagnosis >> Engine Performance >> System >> Engine Control System - Diagnostic Codes (2 Of 6) >> SFI System >> DTC P0222: Throttle/Pedal Position Sensor/Switch "B" Circuit Low [11/2021 - ] >> Monitor Description
April 5, 2026: LEMON Manuals is launched! Read the announcement.

Monitor Description

OUTLINE OF DIAGNOSIS 

Detect the short circuit of throttle position sensor 2.

Judge as NG if out of specification.

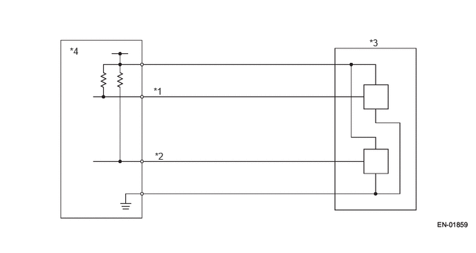
COMPONENT DESCRIPTION 

GTY1052174Courtesy of © TOYOTA, LICENSE AGREEMENT TMS1002
*1 Throttle position sensor 1 signal *2 Throttle position sensor 2 signal
*3 Throttle position sensor *4 Engine control module (ECM)

EXECUTION CONDITION 

Secondary parameters Execution condition
Battery voltage 6 V or higher

GENERAL DRIVING CYCLE 

Always perform the diagnosis continuously.

DIAGNOSTIC METHOD 

If the duration of time while the following conditions are met is longer than the time indicated, judge as NG.

Judgment value 

Malfunction Criteria Threshold Value
Sensor 2 input voltage 1.147 V or less

Time needed for diagnosis 

24 ms

Malfunction indicator light illumination 

Illuminates as soon as a malfunction occurs.