LEMON Manuals: Even more car manuals for everyone: 1960-2025
Home >> Toyota >> 2025 >> GR86 Base, Automatic Trans >> Repair and Diagnosis >> Engine Performance >> System >> Engine Control System - Diagnostic Codes (5 Of 6) >> SFI System >> DTC P2122: Throttle/Pedal Position Sensor/Switch "D" Circuit Low [11/2021 - ] >> Monitor Description
April 5, 2026: LEMON Manuals is launched! Read the announcement.

Monitor Description

OUTLINE OF DIAGNOSIS 

Detect the open or short circuit of accelerator pedal position sensor 1.

Judge as NG if out of specification.

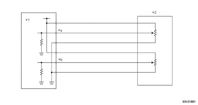
COMPONENT DESCRIPTION 

GTY1051372Courtesy of © TOYOTA, LICENSE AGREEMENT TMS1002
*1 Engine control module (ECM) *2 Accelerator pedal (with sensor) rod assembly
*a Accelerator pedal position sensor 1 signal *b Accelerator pedal position sensor 2 signal

EXECUTION CONDITION 

Secondary parameters Execution condition
Battery voltage 6 V or higher

GENERAL DRIVING CYCLE 

Always perform the diagnosis continuously.

DIAGNOSTIC METHOD 

If the duration of time while the following conditions are met is longer than the time indicated, judge as NG.

Judgment value 

Malfunction Criteria Threshold Value
Sensor 1 input voltage Less than 0.265 V

Time needed for diagnosis 

100 ms

Malfunction indicator light illumination 

Illuminates as soon as a malfunction occurs.