LEMON Manuals: Even more car manuals for everyone: 1960-2025
Home >> Toyota >> 2025 >> Prius LE >> Repair and Diagnosis (Single Page) >> Transmission >> Transmission Control Systems >> Electronic A/T Shift Lever System - Diagnostic Codes & Circuit Tests >> Electronic Shift Lever System >> DTC P18A8-62: Gear Shift Control Module "A"/"B" IGCT-Scene Signal Compare Failure [03/2023 - ] >> Wiring Diagram
April 5, 2026: LEMON Manuals is launched! Read the announcement.

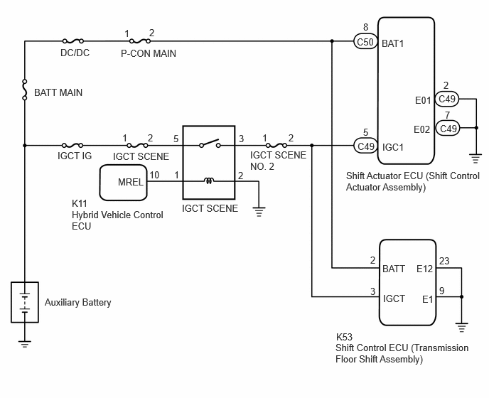
DTC P18A8-62: Gear Shift Control Module "A"/"B" IGCT-Scene Signal Compare Failure [03/2023 - ]: Wiring Diagram

GTY1279057Courtesy of © TOYOTA, LICENSE AGREEMENT TMS1002